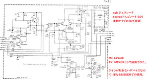
1971年のssb変調回路 : Argonaut (509) - Ten-Tec
1971年発売の 無線機キット。CA3028は1965年リリース品。
愛好家が多い tentec.
Ten-Tec_Argonaut_509_user.pdfをダウンロード
ca3028-ca3053-datasheet-harris.pdfをダウンロード
半導体式トランシーバ FT-101は1970年5月リリース。 W1DX氏が1953年に提言したdiode demodulator方式。
日本では、差動回路の高周波ICをまだ製造できない時代。つくれないのでCA3028を10年遅れてライセンス製造しTA7045Mとして1977年発売。KENPRO KP-12A(1978年販売)で採用。1977年製造はCA3028をトランジスタで構成したKP-12。
AN612は1978年発売。
有名なMC1496は1968年登場。30MHzまで良好な変調波形。





コメント