提灯記事だった。於 :禁断のヘッドホンアンプ :B級動作とテクニクス商品カタログで公開されているね。
ブラウン管TV修理では バズ音の出具合を確認しながら直した時代。映像信号周波数成分による音声信号への干渉具合が音で分かった。
それを知らない世代になって、BUZZの日本語意味が変化しておる。
測定器でアンプ特性を測ることもなく、ただの提灯記事。
そういう雑誌なのね。
***************************************
OP AMP は 相が180度まわるのが500kHzから1000kHz。直結2個では360度まわる。発振モードになる。 だから、360度にならない工夫をop amp出口で行う。
*************************************
op ampを造る側の人物(日立 LAB)が書いた本からの転用。 これが日本で一番深く書いてある。
画像処理のmain device SH4は日立製品。それを松下もシャープを使っていた1990年から2005年ころまでの画像処理器。オムロンもSH4搭載だった記憶。
トランジスタ検波を広めたのは、日立製作所からの公開論文。
********************************************
class aaについては2009年から、 ここで深く議論されている。youtubeの解説者が80歳であれば往時のエンジニア。
ノウハウは、
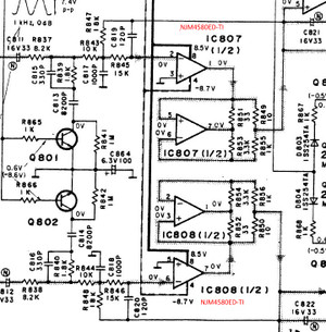
①電源
正 :+8.5v
負 :ー8.7v
これがノウハウですぜ。
op ampを学習している人間であれば。負側にシフトしている理由は わかるだろう。
② op amp 型番
M5238 三菱製






コメント