山本式電流帰還アンプ 。 アレキサンダー電流帰還制御論文が破綻しておるので、山本式にたどり着いた。
マークアレキサンダー氏主張の電流帰還アンプでは、「彼の論文は破綻しておる」ことは調べた。矛盾を内包した論文なので、議論に耐えられる内容ではない。 彼を称賛する勢力は、尋常小学校出の子供だろう。 彼の主張する数式だと 動作は成立しない。ニュートン力学では彼の論理は成立しない。
その結果、米国内での評価が低いことも判った。
そこでさらに調べた。
******************************************************
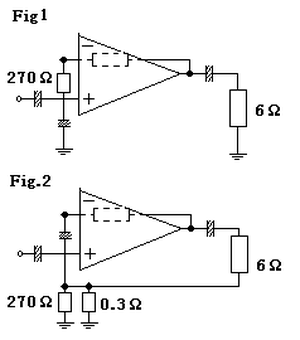
高名なドクターである山本氏 提案アンプである。氏は厚生労働省 九州厚生局の大幹部である。
ここに山本氏の自筆記事がある。
出力を電流で制御するICは1970年には発売されている。 いわゆるガバナICだ。安さで自慢のロームから多種発売されておった。
電流帰還パワーアンプでスピーカー駆動できるものも発売されている。TDA7072A.
**********************************************
スピーカーの駆動力 特に応答速度は印加電圧大小に左右される。これがスピーカーエンジニアには抜けている視点だ。
高速カメラで撮影してみると 2ミリ秒 程度の速度差は確実に確認できる。オイラはそれを2001年に仕事でやった。
NFB技術には、残念ながら時間軸の概念はない。相の概念はある。
遅延してしまった信号をわざわざと戻し信号質を低下させることに、注力しているのが今のAUDIO業界。
コンバインされた信号は分離不可になる。言い換えると、新しく信号をつくり出している。
ヒトの耳は「遅延信号+生信号」の混合音を聴くと 歪が減ったように感じる脳特性ではないのか?
***********************************************
NON NFB AMPと謳いながらNFBが掛っておる自作websiteに人気があるので、audio系は非科学的思考が強い可能性はある。
スピーカーの寿命計算に、アンペアターンが使えるのではないか??
seppでの出力コンデンサーレス回路(日本の回路)は、1960年には雑誌で公開されておる。1960年には日の目をみなかったが1973年ころから注目された歴史がある。






コメント