50MHz AM ダブルスーパー受信機 JH1FCZ方式のUP版 その2:LA1600
2019年 公開は、「6m AM/ssb 受信基板(LA1600): RK-60 ダブルスーパー」がある。基板は領布中。 感度はRJX-601同等。BFO オンボード。
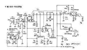
FCZ通信の1993年9月号にて公開されている 「50MHz AM ダブルスーパー受信機」
完成形は218号に公開されている。
感度は(S+N)/N=10dB 時の感度は20dBμV(10μV???) と RJX-601より トランジスタ1個分劣る。
それをベースにして BFO載せた。
bfoを追加してみた。 特許で云うところの A +B =Cになる。 AもBも既知であるがCは未公知であれば、Cは特許成立する。
その「50MHz AM ダブルスーパー受信機 JH1FCZ方式 」+ BFO = NEW 50MHz AM ダブルスーパー受信機 になった。
供給3V電池で2SK241にAGC掛けるのは少しシビアなので、現状はBFOのみ追加。
BFO波は電波でIFTに飛ばす作戦。
3SK59にて乗算回路。
著作権上では、A+B=C なのでセーフ。
MIXERを3SK59にして、実験中だが、通りぬけが強烈なLA1600。
RK-60のように差動出力ICを上流におくにか道はないわ。
LA1600での通りぬけが強烈な理由は、局発回路に特徴があるからだ。このLA1600は内部で正帰還させる。この時+VCCを使うレアな回路。その帰還周波数確定に外部LCを経由させ4番PINにいれておる。 RFCと4番ピンを結線し、+VをRFC経由で4番ピンにいれると自励しない。
転売ヤー とか パクリマンセー は悪人のお仕事だと思っている。
「JH1FCZ氏が2次利用を認めた書面」を某団体で公開していないので、あれスンゴク妖しいわ。
同意書面が不存在であれば、著作権上では100%アウト。
日本の公務員ならば著作権には留意しているので、「2次利用で金員獲得行為」は公務員ならば行わないわ。
*************************************************
1940年代~1950年代生まれは、著作権のことを学ばずに大人になっておるので、権利関係の考え方が幼稚園なみなので、ここにあげておく。
JH1FCZ氏の機関紙 FCZ紙は、私人で私費公開したもの。(公的機関の刊行とは質が違う)
つまり著作権の塊である。
著作権対象は
1,部品レイアウト 同じ配置ならアウト。 配置が改善され50%異なるならばセーフ。
2、回路になる。部品種を変えた程度ではアウト。 進歩性がないなら100%アウト。
「そこからの転用において金員移動がともなうものは、商行為」なので著作権では違法行為。
利益がでるかどうかは某団体の特質に依存するので、争点ではない。
今回は著作権にもとづく1次、2次利用行為への「書面同意があるかないか?」が争点。 口頭同意は故人なので争えない。つまり 利用するには同意書面が存在する必要がある。
利用売り上げ金(商行為でのすべての金員)で、墓を建てて故人にお返しするのは合法。
以上。
*************************************************
変調トランスレスとして アクティブ半導体で変調を掛ける手法は、泉弘志 先生が「直結型」と紹介されている。1969年の公開回路。FCZ氏は4年ほど後のこと。
2番煎じな FCZ氏なので、ちょっとと云う感じはある。
直結型は信号レンジ幅が10dB程度は狭くなるので、音声信号にはお薦めできない。小信号は変調のらない。
マーカー向けの回路。










最近のコメント