*************************************************
2023年に「ぺるけ式 トランジスタ式ミニワッター Part5 19V用 の出品者」 に
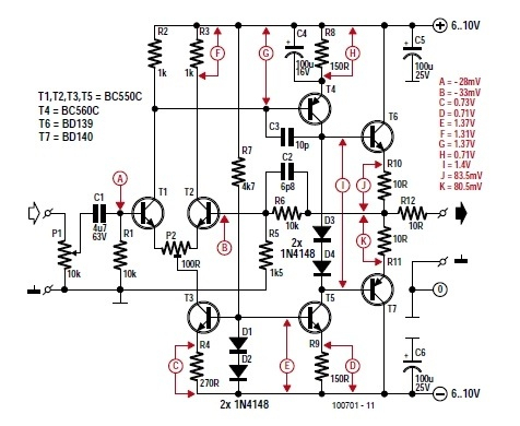
効率とドライビングパワーの質問をした。 ここ。
製作時にデータを取ってなきゃ、 パクリ転売ヤー確定ですね
おそらく電流は1.2Aは流れるので抵抗損が生じない導体断面積が算出される。AF AMPなので表面積でなく断面積。
バイアスに使うダイオードで音色が異なるので、「特性と音色」で決定するデバイスだ。 音が聞き分けられる耳を持っているならば、そこを明確にしなきゃならないデバイス。 明確にしたsiteは 少ない。これは意外である。 オイラは手元にあるdiode(1s1588等)を使っている。
まとめ:
単なるパクリ品を販売しているだけだ。 技術的うらずけはない。 測定器ももってない。
*************************************************
腕の良い大工は知識もしっかりもっておる。
「知識のない人物による作品質が高くなる道理はゼロ。」
*************************************
差動入力で ミラー電流のイコールいならないことを正しく紹介してあるSITE.
図中A と Bでは電位差2ミリV..
ぺるけ氏とおなじく等負荷でないので、電位差、電流差が存在する。 そこを隠さずに公開するSITEは信頼できる。
半固定VRで補正しても ミラー電流はイコールにはならない。人間が勝手に信じているけだ。
J と Kにおいてはイコールになりえない。常に J >>K の成立するのがSEPP アンプの特徴。
