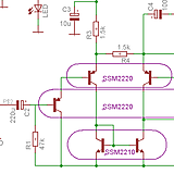
トランジスタ式ミニワッターPart2