YouTube: one tube radio D.I.Y 6BR8. 2024/Dec/1st de RADIO KITS IN JA
*************************************
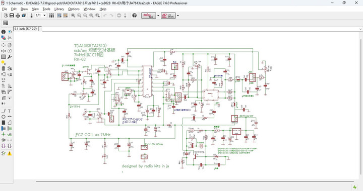
プロダクト検波部も載っている基板:RK-63.
AGC電圧生成後に、IF信号はPIN15(TDA1083)からでてくる。
その15PIN信号をプロダクト検波している。
SSB と AMの切り替えはジャンパーピンの差し替え方式
RK-63はyahooにて。
Sメーター基板 RK-109にてSメーター対応になる : 要調整。
**************************************************
リレーを載せて SSB と AMの切りかえタイプは RK-63V3
*****************************************
Sメータも乗せたTDA1083 SSB 受信機基板.
Sメーター回路はLA1260 基板からもってきた。
ラジオICのAGC回路からSメータを振らせると受信感度抑圧になる、感度低下分は補正VRを配置。
