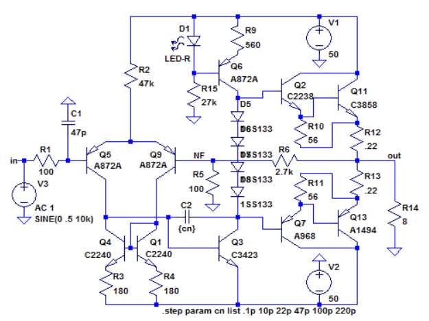
Q5とQ9を流れる電流はイコールでない。Q3へも電流がいくので計算はややこしい。
片負荷なので電流はイコールにならない例。
Q:
「差動入力回路での デバイス特性を揃えたのがよいのか? 」
RLがイコールでない場合には、エミッター電流差はどうなるか?
A:
負荷の大小差をみて判断。
・電気回路は負荷具合を考慮された動作説明がないのが原因。 たとえばDBM(差動回路2段)は、負荷の大小によって加算モードと積算モードに分かれる。 多く動作説明には抵抗値の記述がないのは、バイアス点により動作モード差異が生じるからだ。 カレントミラーの説明も眉唾が多い。
・計測すると片側負荷の差動回路では流れる電流が異なってくる。電流はミラーではなくなる。1オーム負荷と100Kオーム負荷では電流は違ってくる。(抵抗で喰う電圧が違うのでデバイスに掛かる電圧は異なる。)
これを説明した刊行本はない。実験すると片側負荷では両側負荷より増幅度が低いことも多い。WEB SITEで見掛けるAMPは ミラーでの電流がイコールになるとは思えない使い方が多い。
・したがって計測等での差動回路は、両側負荷にし 実際には動作が合うように負荷抵抗はVRで可変させてベターポイントを探り 固定抵抗に換える。 知見のある人達 および 優秀なメーカーでの回路は両側負荷になっている。
audio amp分野であれば、片側負荷が主流なので特性は揃える必要性は薄い。
・答えとしては、両側負荷で確実に電流が 動作範囲内でイコールになるのであれば、特性のそろえたものを使う。
上図のように両側負荷回路では、デバイス特性を揃えたものを使う
********************************************
スピーカーの駆動理論は、空気を一次、2次関数で表現できる弾性と捉えておるので、50年前の理論から前進がない。(ゼニにならない分野は研究しないのが ジャパンスタンダード。 そりゃ、抜かれて落ちる)
