千石さんがサポートページとして公開していたSITEから回路図は引っ張ってきた。
画素数はなんと8000バイトでUPしてある。結果 不鮮明。
それを印刷かけりゃプリンター側でデータを間引きしてくる。
回路図は pdfでupするのが この手の世界標準。
電源に3端子icを使うと 通電のたびに出電圧0.1v前後は違う。その揺らぎ0.1vが気になるなら、自分で電源回路をトランジスタでつくるしかない。
***********************************************
基板に指定値の部品をアンプ基板にのせた。 nxp のne5532 (1994年製造)を載せた。後段にTRIOの TL-922が待ち受けているわけでないので、 RF周り込み対策部品は実装していない。 AUDIO AMPなのでrf周り込み対策はいらない。
結果がこれ。
ラジオで確認すると無変調の信号が受信できた。距離15cm.
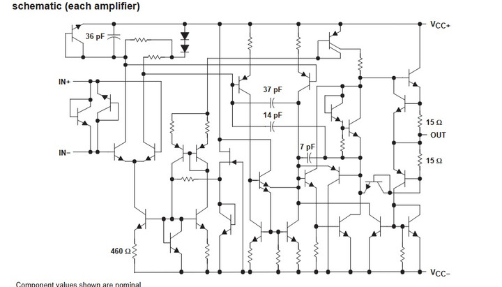
帰還発振する。(やっぱりね :心の声)。綺麗なサイン波なのでその周期に影響するCはシリコンウエハー上でのCらしい。
無線で500W出すわけでないのに、C3,C4を入れて高域をだらす理由は 帰還発振するからなのね。OP AMPの入力インピーダンスが300Kほどだった記憶なのでこの100Pは 音域特性に効く記憶。 計算では22PF程度にしないと3000ヘルツで差がでるのが40年前に公開してあった。(オイラ 100回路ほどアンプ基板おこしたが。 RF 回り込み対策したことはない)
テクニクスの回路は、位相多段回路にノウハウが詰まっているね。
いまのところオイラの予想通り。発振しているので、各端子の電圧をどうすりゃ計測できるか???
「OP AMPでの発振回路」との違いは何だろう。
YouTube: 禁断のヘッドホンアンプ基板を購入し 部品実装した。NXP NE5532を載せて通電してみたら、 自己発振モードになった。
NE5532は RL=600なので 低抵抗のブリッジ回路負荷にすると 苦しいと思う。 いわゆるミスマッチ起因で、ネライの動作しないように思う。
RL=600の信号を5532 (入力Z=300K)で受ける際も、マッチングエラーになる。「600:300K」 だからね。 スマホ音源を真空管ラジオpuに接続すると、インピーダンスでは 「32 :500k 」になりsp端からの音は1/100程度に減る。 似たた事が「禁断のヘッドホンアンプ」で起きてるんだろうな。
「ノウハウはテクニクスのみ知る」
等価回路上でのcとrで インダクタンスになる。 これは1980年前半にJA1AYO氏がCQ誌に公開されておった。 NE5532等価回路からインダクタンスを読み取れるようになると、電子回路屋として飯が食える。
LTspiceは、 インピーダンスまで考慮したソフトでない。
