19.00kHzの信号がそのまま流下してくるので、19.00kHzの信号だけ除去するtrapを入れている。
減衰量40dBが設計目安。
パイロット信号と本信号の強さ具合は規格で定まっていた記憶(ほぼ忘れた、電波法? 工業規格?)
****************************************
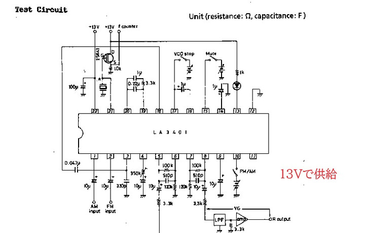
三洋は13V駆動を推奨している。
****************************************
供給電圧の高低でLR分離が違うと三洋は公開。
ここで13VがベターなDATAはメーカーがだしてないが、
入力周波数が上 たとえば3kHz,5kHzでは供給電圧が高いのがベターなことはmpx IC全般特性である。 そこらを塩梅して13V供給がベターだとデータから読み取れる。
そこまで読み取れると自作派の仲間入りになる。
******************************************
LA3401ではLAMP DRIVE含めて60mA弱食うので、13V 90mA程度供給してあげる。
ZXTR2012P5-13は50mA
