RADIO KITS IN JA 

信州安曇野発アナログラジオ工作中心blogです。ラジオ自作派にお手伝い用基板1、基板2、基板3、基板4を領布中

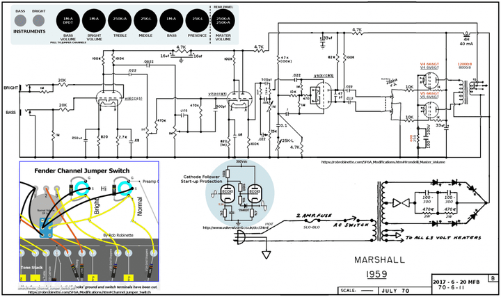
Renraku_2 6Z-DH3Aのヒーターピンは必ず1番を接地。間抜けは6番ピンを接地する  6Z-DH3Aのピン 接続情報
 amazon等での転売shopが多数ありますが、私とは無関係です。騙されぬようにご注意ください。トランジスタラジオキット,真空管短波ラジオ、真空管レフレックスラジオ、AMワイヤレスマイク、FMワイヤレスマイク、12AU7ダイレクトコンバージョン製作。LC7265ラジオ周波数表示器、ミニワッター、トランジスタアンプ、スピーカーの鳴る単球ラジオなど計 609例。 真空管ラジオ修理記やFMチューナー修理記など。20代は半導体ラジオ修理技術者でした。FA機械設計屋を35年やってます。画像多数にてPC推奨します。 資料画像等はお持ち帰りいただいてOKです。記事にする折には、ご一報ください。

since 2011/Aug

Marshall アンプ MB : 1959 Schematic

Mb_915w_marshalljmpsuperlead1959sch

  • 2025/06/15 17:21
  • « 前の記事
  • 次の記事 »
コメント(0)

コメント投稿

コメントは記事の投稿者が承認するまで表示されません。

アーカイブ

  • 2026年4月
  • 2026年3月
  • 2026年2月
  • 2026年1月
  • 2025年12月
  • もっと読む

ウェブページ

  • ヘッドホンアンプ :トランジスタアンプ : 900mW、600mW、390mW、250mW、150mW : 真空管アンプ・TR アンプ回路図(自作例で25種)
  • タイマーIC NE555 でつくれる回路。 ワイヤレスマイク、ワンショット。遅延と発振。
  • ダブルスーパーヘテロダインを自作しよう。(AM/SSB 受信機 )
  • ラジオ 調整 / IFT調整 と オシロスコープ : (スーパー ヘテロダインラジオ 調整 方法)
  • 真空管ラジオ工作 knowhow 覚え書き
  • A SHOP( 自作派へのお手伝用に私の興したプリント基板の領布です) 3頁目。
  • A SHOP( 自作派へのお手伝用に私の興したプリント基板の領布です) 4頁目。
  • A SHOP( 自作派へのお手伝用に私の興したプリント基板の領布です) 2頁目。
  • A SHOP( 自作派へのお手伝用に私の興したプリント基板の領布です: 350種類) :1頁目。4頁目もみてね
  • Bridge-Tied-Load をBTLと云いだしはオランダ phlips:1991年のtda1519。tda1510
  • if段用IC : MC1350P。振幅信号を扱えるICなのか?(再掲)⇒ 記憶通りに無理でした。
  • op ampの信号遅について。 オーバーシュートについて
  • RADIO KITS TOP。ワイヤレスマイク自作:ラジオic で自作:AM,SSB,CW受信機。同期検波デバイス: 真空管ラジオ自作site。
  • ssbでのdiode demodulator : リング変調回路 W1DX氏の1953年論文が起点
  •  RADIO KITS provide radio circuit diagrams and PCB data for radio enthusiasts. 
  •   A SHOP : 分野別掲載
  •   真空管ラジオ  bluetooth : アース分離しないままで、PUからの音を聴くには?:    真空管ラジオ ブルートゥース 改造
  • 「1934年公開されたゼロバイアス回路」を、「Rickenbacher エレキアンプ会社がグリッドリーク biasと呼んだのが1937年」。
  • 「3端子レギュレータ起因のノイズは100kHz~3MHz」とメーカーから公開済み。長波~短波帯。
  • 「AMラジオ: 真空管ラジオ用 周波数カウンタ は 5種類開発済」。 キット品はyahooにて。
  • 「乗算回路(AM変調) 対 加算回路(変調???)」MC1496の動作は2モードあるらしい。
  • 「真空管ラジオのレストア品、整備品」の闇。「ヒータ結線が駄目。アースポイント駄目。IFT調整してないラジオ」:低スキル品が主力な流通品
  • スピーチプロセッサー、マイクコンプレッサー考。SSBの波を綺麗に:技術工学(アマチュア無線)
  • ダブルバランスドミキサ ic
  • トランジスタ式100kcマーカー for BCLer: 
  • ヘッドホンアンプ : audio ICで造る小型アンプ 回路図(自作例で60回路予定)
  • ラジオキット  メーカー別一覧
  • 三端子レギュレータで整流リップル減るか? ノイズ源に為らない型式は?、、。チャンピオンデータ考。
  • 低ESRのコンデンサー: インテルがPC用に言い出した。2002年夏のこと。
  • 同調指示器(Sメーター) :Sメーターの基準は製造業者の指定による。基板領布中。
  • 回路図:自作アンプ分野. (ヘッドフオンアンプ ・トランジスタ小型アンプ)
  • 回路図:自作コンプレッサー/ スピーチプロセッサー  . (マイクコンプレッサー)
  • 回路図:自作ラジオ分野  (2SC1815ラジオ、トランジスタラジオ、再生式ラジオ、真空管ラジオ、AMワイヤレスマイク、等 ) 
  • 技術UPのための書籍
  • 真空管ラジオ / FM チューナー 修理・メンテ   一覧 
  • 真空管ラジオの外部入力(PU端子)の使い方。 ipod等OCL機器からの信号をpuに入れる。真空管ラジオのブーン音比較。
  • 真空管ラジオの外部入力(PU端子)の使い方&粗い実験。「直流を流し出す音源」対応策
  • 真空管ラジオの感度考察。音質。2極管検波能率。プレート検波歪率。無限大入力インピーダンス検波
  • 真空管ラジオ修理業 :低スキル品が修理主流の原因について
  • 真空管ラジオ工作の基本。いまさらだが基本を上げてみた。
  • 真空管ラジオ用455Khz IFTでの疑問 ⇒ 天地のルールは無かったようだ。⇒山中方式推奨します。
  • 真空管ラジオ調整。「開放線つきラジオ」の調整。擬似アンテナ回路網
  • 自作ラジオ、セミキット     一覧  no,101⇒ latest  150台まで
  • 自作ラジオ、セミキット 一覧  no,001⇒ no,100まで. 101~160は別page
  • 自作真空管 FM ワイヤレスマイク :半導体FM   一覧
  • 自作真空管ワイヤレスマイク AM / 半導体AM   一覧 (およそ100台)

最近の記事

  • 呼び半田     予備半田    どちらが正しい 再掲
  • 東武トップツアーズ株式会社に 沖縄県から3500万円:2025年6月. 癒着にちかいね
  • JF1OZL 式 エミッタフォロア アンプ。
  • FMラジオの感度を上げる方法. 
  • ssb フィルター  DSB波形 RFスピーチプロセッサー
  • 再生式 3球ラジオ (CK6688+CK6688+6LF8) 回路図
  • ssb フィルター  DSB波形
  • 「完全無帰還とは,前段へ戻す負帰還経路がないという意味」と公開中。しかし現実は負帰還回路。これ矛盾と云う
  • dual gate fet 3SK59 自励:水晶振動子をつかう。 
  • 8石スーパーラジオキットです。 他励式のヘテロダインです。

基礎系情報

  • AUDIO AMP
  • (Sample)Twin-T Notch Filter Design Tool - Result -
  • Internet Archive: Digital Library of Free & Borrowable Texts, Movies, Music & Wayback Machine
  • HIDEYUKI ANDO HOME PAGE
  • 第18回 プログラムの基本構造 | ツール・ラボ
  • できるMPLAB® X IDE [スタートガイド編] | テクニカルスクエア | 丸文株式会社
  •  地表面の熱収支と気象
  • DIP Type Of 3.5mm Audio Sockets
  • OPアンプはオカマアンプ
  • Crystal ladder filters
  • RigPix Database - Schematics, manuals 'n' stuff
  • 皆空の中で... Smith V3.10 
  • Amplificadores Lineales RF
  • 電子工作の実験室
  • Brabec Homepage for Studio Musician and Engeneer
  • フィルタ計算ツール
  • 真空管(Electron tube) 規格表データベース | トップページ
  • Eagle-Libraries/Processors/Microchip at master · chiengineer/Eagle-Libraries · GitHub
  • 12AT7-6AK6 セパレート再生 2球ラジオ
  • JIS C 6102-1:1998 AM/FM放送受信機試験方法 第1部:一般的事項及び可聴周波測定を含む試験
  • 太陽光パネル メーカー - 会社のデータベース
  • 浅川太陽光発電所 - 八ヶ岳・北杜市大泉 -
  • 資料・技術情報 >> マルツオンライン
  • みんなでやろうJARL改革!
  • LC共振の周波数 - 高精度計算サイト
  • PLC 行政訴訟 異議申し立て
  • Frank's electron Tube Data sheets
  • Heathkit Schematic and Manual Archive | Vintage Radio Info
  • Index of /schematic
  • Popular PDF DOC and PPT files

カテゴリ

  • SOLAR 再生可能エネルギー
  • BTオーディオレシーバ_
  • Graymark536 8石 トランジスタラジオ キット
  • RIDE ON
  • 「だれでもできる電波通信実験」を造ってみた。
  • 超再生式FMチューナーキット DBR-402
  • 1-V-2 高一再生式グリッド・リーク検波 ST管3球ラジオ
  • 1000円 トランジスタラジオキット S66D
  • 100kHz マーカー (真空封印型振動子)
  • 100kHzstep マーカー
  • 100kHz マーカー v3
  • 12.6vで聴く真空管ラジオ :12BA6,12AV6
  • 12au7 headphone amp
  • 12AU7 SSB復調基板
  • 12au7 twin ダイレクトコンバージョン受信機
  • 12au7 ヘッドホンアンプ 2sc3422
  • 12au7 ヘッドホンアンプ 2sc3422 type2
  • 12AU7 ヘッドホンアンプ基板。  cascaded op amp booster  :RK-196v2
  • 12au7 ヘッドホンアンプ(led bar表示)
  • 12au7 ヘッドホンアンプ(トーンコンロール式 type2
  • 12au7 ヘッドホンアンプ(トーンコンロール式)
  • 12au7 マイクアンプ: アマチュア無線 
  • 12au7トーンコントロール付ラジオ: tda1072 ラジオ
  • 12AV6 ヘッドホンアンプ
  • 12av6 ヘッtドホンアンプ(led bar表示)
  • 12BE6 12V ワイヤレスマイク
  • 12SA7 12V ワイヤレスマイク
  • 1R-STD 単球 再生式ラジオキット
  • 1RW-DX 単球 再生式ラジオキット (6EH8)
  • 1T4 1R5 ワイヤレスマイク
  • 1T4 1U4 ラジオ
  • 1石+1 IC レフレックスラジオ
  • 1R5(電池管)はいぶりっどトランスミッター
  • 25kcマーカー
  • 28MHz ダブルスーパーヘテロダイン受信基板を造ろう。LA1600 
  • 2R-DC 2球再生式 電池管ラジオ キット
  • 2sa1359 2sc3422のsepp amp
  • 2SC1815のラジオアンプ SEPP.
  • 2sk192 la1260
  • 2石直結マイクプリアンプ
  • 3.5MHz 短波ラジオ(AM検波、プロダクト検波)
  • 3.5MHzダイレクトコンバージョン
  • 3A5(電池管)はいぶりっどトランスミッター
  • 3DC-STD 真空管 高1ゲルマ検波ラジオキット 
  • 3S-STD 真空管 3球スーパーラジオキット
  • 3S-STD 真空管 3球スーパーラジオキット 2号機(6BY6,6DK6,6AW8)
  • 3S-STD 真空管 3球スーパーラジオキット   3号機 (6BY6,6GK5,6BK7)
  • 3V sepp mono amp 9石
  • 3vで動作する50MHzダブルスーパー
  • 3球式ダイレクトコンバージョン受信機
  • 3石スーパーの試み
  • 3石トランジスタアンプ SEPP 自作
  • 455kHz マーカー :直結変調回路
  • 455khzマーカー :TA7310
  • 475khz ダイレクトコンバージョン受信機 製作 
  • 4石スーパーラジオ
  • 50MHz AM ダブルスーパー受信機
  • 50MHz AM トランシーバー SL1641
  • 50MHz AM 受信基板 HF/VHF向 (TDA1072)
  • 50MHz AM/DSB送信基板(SL1641)
  • 50MHz AM/SSB受信基板 (TDA1572)
  • 50MHz AMトランシーバー自作( NE612)
  • 50MHz AM送信基板(ne612)  qrp
  • 50MHz AM送信基板(s042p)  qrp
  • 50MHz FM 簡易送信機
  • 50MHzを28MHzコンバート基板
  • 5球スーパー のメンテナンス
  • 5球スーパー 改造修理
  • 5球スーパーのメンテナンス 2号機
  • 5球スーパーのメンテナンス 3号機
  • 5球スーパーキット(Venek )のメンテナンス
  • 5石 トランジスタアンプ sepp:9v
  • 6AK5トーンコントロール :LA1600ラジオ
  • 6av6を使った中波帯ワイヤレスマイク (基板)
  • 6AX8 one tube radio
  • 6E2 wireless mic
  • 6GH8 単球ラジオ
  • 6KE8ラジオ
  • 6KT8 single radio
  • 6KZ8 one tube radio
  • 6TR-STD 6石 トランジスタラジオキット
  • 6段平滑回路基板
  • 6石 自作ラジオ
  • 6石オーディオアンプ
  • 6石スーパーラジオ キット: チェリー CK-606
  • 6石トランジスタラジオ :   7石、8石、9石 スーパー 
  • 7Mhz CWトランシーバーキット CRK-10A
  • 7MHz 自作短波ラジオ(LA1600) +BFO回路 :基板領布中
  • 7MHz TDA1572受信機
  • 7MHz モノバンド AM トランシーバー(rk-96a)。
  • 7MHzダイレクトコンバージョン(MC1496)
  • 7MHzダイレクトコンバージョン(TA7320) 初号機 
  • 7石AM トランジスタラジオキット
  • 8次LPF MAX295
  • 9石スーパーラジオ :自作
  • AF スピーチプロセッサー:自作基板
  • aimiya 6k4 amp
  • aitendo 3石FMワイヤレスマイクキット AKIT-315
  • AM qrp tx基板: LM3028BH (TA7045)
  • AM/DSB エキサイター (MC1496によるAM変調)
  • AM/DSB qrptx 基板 CA3028
  • AM/DSB エキサイター 'SN16913'
  • AM/FM LA1260 自作ラジオ
  • AM/FMラジオキット
  • am/ssb HF 受信機( 7MHz)  ta7613 :プロダクト検波
  • am/ssb レシーバー TDA1572: ダブルスーパー
  • am/ssb レシーバー基板 TCA440
  • AMラジオキット TECSUN社製 2P3
  • AMワイヤレスマイク : NE612 キット化
  • AMワイヤレスマイク : TA7320
  • AMワイヤレスマイク : TA7358
  • AMワイヤレスマイク :AN612
  • am変調実験
  • AM変調考
  • AN7112でつくるステレオアンプ
  • AN7116 アンプ基板
  • AN7411 (mpx)_
  • AN7511で鳴らすステレオアンプ。
  • ARA方式 スピーチプロセッサーを自作してみたい。
  • Arduino uno
  • audio peak filter(CW向け)
  • BFO基板キット (455kHz)
  • bluetoothはノイズ発生装置がが、使えるか?
  • CA3028 ダイレクトコンバージョン
  • ca3054でつくるam tx
  • CA3080 ダイレクトコンバージョンRX
  • class A
  • CORNMI脱臭機 オゾン脱臭機 JM-05 メンテ
  • cw transmit training by DIY
  • CW トランシーバー基板
  • CWフィルタ ever 599 type C
  • CWフィルタ ever599 type B.
  • CW練習器:基板
  • CX-555 改造
  • CXA1019 ラジオ基板
  • CXA1691 : AMラジオ
  • D/Aコンバーター 
  • DAIWA RF スピーチプロセッサー RF-440
  • daiwa マイクコンプレッサー MC-330 :正常動作品。
  • DAPPI まとめ :超優良な世論工作業について
  • dbm MC1376で遊ぶ_
  • DC13V : 12BA6 12AV6 RADIO
  • diy cw receiver 40m single
  • DSB トランシーバー type Ⅱ
  • dsbトランシーバー基板
  • DSB波発生基板
  • eaglecad cadsoft
  • epson melody ic svm7561 sound
  • ERA-5SM アンプ
  • FA装置 
  • FCZ 136
  • feed-forward式マイク コンプレッサ
  • Felip 5球ST管 スーパー改造製作
  • FM monoをstereo化受信してみる基板
  • FM stereo マーカー
  • FM ラジオキット 2
  • FMステレオジュネレーター
  • FMステレオワイヤレスマイク(3A5)
  • FMステレオ復調デバイス TDA7040
  • FMチューナーFX-46K
  • FMモノラルチューナ- (トランジスタ式) 
  • fmラジオ
  • FMラジオで受信するCW練習unit
  • FMラジオ用 受信ブースター 
  • FM補完放送用コンバーター
  • FX-AUDIO TUBE-01
  • Genny unit 01 (再生式ラジオ)
  • Genny unit 02 (再生式ラジオ)
  • Hamnine 7Mhz 受信機キッット
  • ICM7555tx_2
  • in take amp unit
  • JF1OZL サイト  抜粋COPY
  • JF1OZL式 エミッターフォロアーアンプ
  • JF1OZL式 エミッターフォロアーアンプ type2
  • KA2206 アンプ。 11V
  • KIT-006D FM/MW/SW1/SW2 4バンドラジオキット
  • KIT-10  中波ラジオ 1IC+2TR
  • KIT-12 4石 AMラジオキット
  • KIT-17 1IC+2TR ストレート ラジオキット
  • KIT-18 FMラジオ
  • KIT-210 AM/FM ラジオ
  • KIT-600 ホームラジオキット AM/SW/FM 3バンド
  • KIT-619 6石 AMトランジスタラジオキット
  • KIT-735 7石 AMトランジスタ ラジオ キット
  • KIT-9 6石 AMトランジスタラジオキット
  • kp-12a メンテナンス
  • KP-12 基板交換
  • LA1135 レシーバー: プロダクト検波
  • LA1247 レシーバー
  • LA1260を使った高感度自作ラジオ
  • LA1260ラジオ 中華ケース利用
  • LA1600 TA7368 one board radio
  • LA1600 TX
  • LA1600を使ったam小型ラジオ(RF増幅、BFOあり):
  • LA1600を使った小型ラジオ(BFO): 7MHz
  • LA1600を使った小型ラジオの自作:基板領布中
  • LA1600ラジオに Sメータ追加基板
  • LA1600使用のAM 小型トランシーバー自作
  • LA4140アンプ 4.5v供給
  • LAFAYETTE EXPLORーAIR MARK V
  • LAFAYETTE EXPLORーAIR MARK V:2号機
  • Lcd display for AM/FM radio. How to make.
  • LC発振のBFO基板
  • LED 1個を 100Vで点灯   ラジオのパイロットランプの置き換え案
  • LED式 ラジオインジケータ
  • LM384 ステレオアンプ
  • LM386 をBridge-Tied-Loadで使う
  • LM386をBridge-Tied-Load 化
  • lm4863ステレオアンプ基板
  • lm4880でつくるstereo amp_
  • LTspice
  • MC1496 ワイヤレスマイク
  • MC1496PGでAMワイヤレスマイク
  • mc3361でつくるssb受信機
  • mc34119 amp_
  • melody ic sm6201-2l
  • melody IC : HK322-6 sound
  • melody IC :SVM7570 here
  • melody IC :SVM7910 here.
  • melody IC :SVM7962 here.
  • melody IC LR34611 sounds
  • melody IC MN6221dd :panasonic sound
  • MF47 アナログ テスター キット
  • mono band AM / SSB 受信機
  • MPLAB PICで遊ぼう
  • MPX device TA7343_
  • MRX-7D 2号機。
  • National Semiconductor LM377
  • NE5532 BTL
  • ne5534 single
  • NE555 ツートーンジュネレータ
  • NE612 ダイレクトコンバージョン受信機基板
  • NE612を用いた50MHzクリコンの製作。第3弾
  • ne612プロダクト検波:f=456.5kc
  • NE612式 455kHzマーカー製作(セラロック発振器
  • Neophyte 2
  • NF型Tone コントロール付き真空管ラジオ   6号機
  • NF型Tone コントロール付き真空管ラジオ  2号機 
  • NF型Tone コントロール付き真空管ラジオ  3号機
  • NF型Tone コントロール付き真空管ラジオ  4号機
  • NF型Tone コントロール付き真空管ラジオ  5号機
  • NF型Tone コントロール付き真空管ラジオ  7号機
  • NF型Tone コントロール付き真空管ラジオ  8号機
  • NF型Tone コントロール付き真空管ラジオ  9号機
  • NF型Tone コントロール付き真空管ラジオ 10号機
  • NF型Tone コントロール付き真空管ラジオ 11号機
  • NF型Tone コントロール付き真空管ラジオ 12号機
  • NF型Tone コントロール付き真空管ラジオ 13号機
  • NF型Tone コントロール付き真空管ラジオ 14号機
  • NF型Tone コントロール付き真空管ラジオ 15号機
  • NF型Tone コントロール付き真空管ラジオ 16号機
  • NF型Tone コントロール付き真空管ラジオ 17号機
  • NF型Tone コントロール付き真空管ラジオ 18号機
  • NF型Tone コントロール付き真空管ラジオ 19号機
  • NF型Tone コントロール付き真空管ラジオ 20号機
  • NIXIE tubes and clock kit.
  • njm2073 : Bridge-Tied-Load
  • njm2073d アンプ
  • njm2073アンプ
  • one ICで鳴らす同期検波ユニット
  • one shot beep unit 2nd
  • one shot beep unit :homebrew
  • op amp transistor
  • PA18-1.2A 出力しなくなった。 安定化電源の修繕中
  • PAM8403動作ノイズが3Vと強烈。これは捨てるのが正解。 購入して通電してみた。
  • panasonic AN7110 AMP_
  • pcb基板化 作業ファイル
  • picで遊ぶ
  • PJ-80 ARDF 3.5Mhz を7Mhz化に改造
  • PJ-80 ARDF 3.5Mhz レシーバー aitendo
  • PJ-80 ARDF 3.5Mhz レシーバーキット
  • product detector unit : select LSB or USB , IF=455kHz.
  • python
  • QRP パワーメーター自作
  • qrp-tx 50MHz :s042p
  • QRPパワー計(100mW, 500mW)の自作 
  • QUATORO NE5532  audio amp
  • raspberry pi
  • RF スピーチプロセッサー:クリスタルフィルター
  • RF-750
  • RFspeech processor KP-12A (kenpro) レストア
  • RFspeech processor KP-12 と12Aメンテナンス
  • RFスピーチプロセッサー(オールトランジスタ)
  • RFスピーチプロセッサー:(F=455kHZ)
  • RFスピーチプロセッサー第5弾
  • RFスピーチプロセッサー:フィルターレス
  • RFスピーチプロセッサ-
  • RJX-601 50Mhz TRX
  • SANYO LA1247 AM TUNER
  • SANYO LA1600で6m受信基板をつくろう
  • sanyo LA4227
  • sing.sing,sing
  • solidなヘッドフォンアンプ 「カスケード op amp  booster 」
  • sony CXA1622 ステレオアンプ。
  • ssb/ am用にリミッター アンプを自作しよう。
  • ssbの音について
  • SSBジュネレータ
  • ssb復調デバイスあん
  • STEP CAPITAL MANAGEMENT
  • STマイクロ TDA7496 アンプ:2ch
  • suntory
  • SVM7975COB 7973
  • synchrodyne : synchronous detection (同期検波と呼ばれる検波方式)
  • synchronous detection unit
  • Synchronous detector , using ca3028 ta7638.
  • Sメーターを載せたLA1260ラジオ
  • TA2003ラジオ基板
  • TA2003自作ラジオのSメータ化
  • ta2011ミニ コンプレッサー
  • TA7252 stereo amp
  • TA7641 ワンボードラジオ
  • TA7641BP ラジオ
  • TA7642 ラジオ :
  • ta7642をIFにしたスーパーラジオ
  • TA7642短波ラジオ
  • TA7687 AMラジオ
  • tba820 ステレオアンプ
  • TCA0372 パワーオペアンプをツインでつかう
  • TCA0372 パワーオペアンプ 1個で鳴らした
  • TCXO :100kHzを使ったマーカー基板
  • tda1072 radio
  • TDA1072ラジオ小型基板
  • TDA1072短波ラジオ基板
  • TDA1083 SSBとAM_
  • tda1220短波
  • TDA1517 AMP
  • TDA1572 SSB RX
  • TDA1572 ダブルスーパー基板(AM/SSB)
  • TDA1572中波ラジオ
  • TDA1905 ステレオアンプ
  • TDA2611 ステレオアンプ
  • TDA2822 ステレオアンプ
  • TDA7000でつくるダイレクトコンバージョンRX
  • TDA7050 ミニアンプ
  • TDA7050をBTLで鳴らす
  • TDA7052A ステレオアンプ
  • TDA7052A モノラルアンプ
  • tda7052でつくるステレオミニアンプ。
  • TDA7052シングルアンプ
  • TDA7053 超簡単な自作1W アンプ
  • TDA7233 stereo amp
  • TDA7235 ステレオアンプ
  • TDA7267 stereo amplifier D.I.Y
  • TDA7268 ステレオ アンプ
  • TDA8559Tを使った ヘッドホンアンプ
  • TDA8941 stereo amp
  • tda8942でならした
  • tea2025でつくるアンプ基板
  • tea5551
  • TPA1517 BTL AMP
  • TTL type wireless mic : FM      using 74AC00
  • twin 12AV6 ヘッドホンアンプ
  • twin 6AV6 booster amp_
  • TWIN 6EW6 RADIO_
  • twin NE5532
  • two tone generator : add only
  • TX-1 真空管式 2球AMワイヤレス マイクキット
  • TX-1 真空管式 2球AMワイヤレス マイクキット 2号機(6BK7+6BE6)
  • uln2280 sounds 1980'
  • UM3481 melody IC sound
  • VOLONAUT
  • weaver式ssb
  • WELZ QRP WATT METER RP-120
  • X'tal filterを使った受信機
  • yaha の設計思想を探る
  • YAHOO ウオッチ
  • あちこちの回路で見つけた疑念 
  • アイテック電子研究所 新SR-7 7Mhz レシーバーキット
  • アクティブクリッパー
  • アンプの歪考
  • イスペット 6石トランジスタ AMラジオ キット CR-P461A
  • イスペット AM/FM 2IC ストレートラジオ キット
  • エレキジャック 短波スーパーラジオ
  • エレキット NT-7 FMワイヤレスマイク
  • エレクトリック キーヤー
  • オーディオ バンドパス フィルター
  • オーディオパワー計 :LM3915
  • カセットプレーヤキット K-501_
  • ガンガン鳴る 「2sa1015+2sc1815」 アンプ
  • キャリブレーション 「ツートーン 発振器」キット
  • キングエース KF506 6石トラジスタ AMラジオキット
  • クライスラーのキャビネットラジオ 
  • クリコン6m ⇒10m
  • クリスタルフィルター( 昭和 )をつかってみる。
  • ケンプロ KP-60 :スピーチプロセッサー
  • ケースに入れて鳴らそう TDA1072
  • ケースに組み込む9石ラジオ基板
  • コロナ肺炎
  • コンサトーン Z503
  • サイテック 7Mhz ダイレクトコンバージョン Comet40
  • サイテック 7Mhzダイレクトコンバージョン SPARROW40-E
  • サイドトーン・セミブレークインユニット
  • サトー電気  7Mhz ダイレクトコンバージョンキット
  • サムエレクトロニクス
  • サーボモータドライバTDA7072 の2ch アンプ
  • サーボモータドライバTDA7073 の アンプ
  • シグナルインジェクターの自作。
  • スカイカーシェア
  • スタンバイ ビー type2
  • スタンバイ ビー 自作
  • スタンバイ ビー :リレー
  • スタンバイビー type4
  • ステレオアンプ AMP MINI (6AB8)
  • ステレオアンプ AMP MINI (6AB8) 2号機
  • ストレートラジオをSメーター化
  • スモーキーアンプ向け TDA7267シングルアンプ。
  • スーパーラジオのケース化:LA1260
  • セコムからの図面 と JIS記号は 一致しませんね。_
  • セミブレークイン ユニット
  • タイマIC 555tx :中波帯変調実験基板
  • ダイレクトコンバージョン :SN16913
  • ダイレクトコンバージョン 「NE612 MINI」
  • ダブルスーパーヘテロダイン TDA072 CA3028
  • ダブルスーパーヘテロダイン受信機(tda1072:AM)をつくろう
  • チェリー CK-411 4石 AMトランジスタ ラジオ
  • チェリー KM-88 8石トランジスタ AMラジオキット
  • ツートーンジュネレータ(tx調整用)
  • テクノキット  HR-080   HALF CUBE 2
  • テクノキット HR-200BX FM/AM ラジオキット
  • テクノキット HR-981DX  AMラジオキット
  • ディスクリートアンプ 2sa1015+2sc1815
  • デジタルテスター キット (中国製)
  • デジタル時計キット
  • トムソン TDA7268 stereo amp
  • トムソンのヘッドホン専用IC TDA1308を使う。
  • トランジスタでつくる「前鳴り+後鳴り」スタンバイ ビー
  • トランジスタ式100kcマーカー  ver1
  • トランジスタ式100kcマーカー ver2(発振器)
  • トランジスタ式455kHzマーカー製作(セラロック発振器)
  • トランジスタ式AMトランスミッター。 トランスレス変調typeⅢ
  • トランジスタ式AMトランスミッター。トランスレス変調 typeⅡ
  • トランジスタ式ミニワッター type2
  • トランジスタ式ミニワッターPart2
  • トランジスタ式ミニワッター type3
  • トランジスタ技術での 記事疑義
  • トランスレス変調 中波AMトランスミッター(自作)。MC1496
  • トリオチューナー FX-46K
  • トリプルLM386 ステレオアンプ
  • トーンコントロールアンプ基板
  • トーンコントロール付きTA7642ラジオ
  • トーンコントロール付き 自作ラジオ(TDA1072)
  • トーンコントロール付マイク アンプ基板:twin-12AU7
  • トーン信号 発生基板
  • ナショナル FM/AM チューナ・セミキット
  • ネクストエナジーアンドリソース 
  • ハムズオフィス HK-8  中・短波受信機キット 0-V-1
  • ハム音のなぞ
  • バックライト式 ラジオLCD表示器_
  • パワーオペ アンプ L2720で鳴らす。
  • フィリプス IC NE5532でスピーカーを鳴らす。
  • フォアーランド FM-3D 光通信型 FMラジオキット
  • フォアーランド FR-603
  • フォアーランド FR-605  AMラジオキット
  • フォアーランド FR-702 7石トランジスタ AMラジオ キット
  • フォアーランド FR-7100 FM/AM ラジオキット
  • フォアーランド FR-7300 FM/AM  ラジオ キット
  • フォアーランド FRG-2004BL FM/AM  ラジオ キット
  • フォトカプラーで変調したマーカー基板
  • フルディスクリートヘッドホンアンプ
  • プラケースにいれたLA1600ラジオ基板
  • プリアンプ :2sk192 10mm角fczコイル
  • プリアンプ:2SK439受信アンプ
  • プリアンプ:3sk129受信アンプ
  • プリアンプ:3sk73受信アンプ
  • プリント基板でつくる6AW8ラジオ
  • プリント基板でつくる6GH8ラジオ
  • プリント基板でつくるGT管ワイヤレスマイク(2球式)
  • プリント基板でつくるMT管ラジオシリーズ
  • プリント基板でつくるMT管ワイヤレスマイク NO87
  • プリント基板でつくるMT管ワイヤレスマイク NO88
  • プリント基板でつくるMT管ワイヤレスマイク NO89
  • プリント基板でつくるMT管ワイヤレスマイク NO90
  • プリント基板でつくるMT管ワイヤレスマイク NO91
  • プリント基板でつくるMT管ワイヤレスマイク NO93
  • プリント基板でつくるスーパーラジオ
  • プリント基板でつくる真空管ワイヤレスマイク(2球式)
  • プリント基板でつくる真空管ワイヤレスマイク(3球式)
  • プリント基板でつくる真空管ワイヤレスマイク  6AQ8
  • プロダクト検波UT
  • ヘッドフォンアンプ 1
  • ヘッドフォンアンプ :クリスキットp35型
  • ホモダインの歴史._
  • ポケロク (6m ハンド トーキー) をつくろう
  • マイク  リミッテイング基板
  • マイクアンプ (2sk30+12au7tc)
  • マイクアンプ(2SK170+ 6J1)
  • マイクアンプ(2SK192+ 6AK5)
  • マイクアンプ(2SK30+ 6J1)
  • マイクアンプ(2SK30+12AU7)
  • マイクアンプ:12sq7
  • マイクコンプレッサー  SSM2165
  • マイクコンプレッサー LM3080
  • マイクコンプレッサー基板(自作) AN829
  • マイクコンプレッサー基板(自作) TA2011S
  • マイクコンプレッサー基板(自作) TA2011 LA3607 
  • マイクコンプレッサー基板(自作)  SL6270C
  • マイクコンプレッサー基板(自作)  SSM2166
  • マイクコンプレッサー基板(自作)  NJM2783
  • マイクコンプレッサー基板(自作)  tda1054
  • マイクコンプレッサー基板(自作) (feed forward式)
  • マルツエレック MRX-7D-FK 7MHzレシーバキット 
  • ミズホ通信研究所 中波帯AMストレートラジオ
  • メロディic um3512を使う
  • メロディ IC SVM7993
  • メンテナンス AM/FM RADIO GRUNDIG TYPE 98
  • メンテナンス FMチューナー FM-102 TRIO
  • メンテナンス HEATHKIT GR-64
  • メンテナンス HR-10B Heath kit
  • メンテナンス S-106 クライスラー
  • メンテナンス TRIO AF-10
  • メンテナンス TRIO AF-20
  • メンテナンス TRIO AF-20 2号機
  • メンテナンス TRIO AF-20 3号機
  • メンテナンス TRIO AF-22
  • メンテナンス YAMAHA チューナー CT-R1 
  • メンテナンス  三洋 STV-280R_
  • メンテナンス オンキョー OS-850
  • メンテナンス ゲルマニウムTRラジオ SKT-601
  • メンテナンス テレビアン 6S-350
  • メンテナンス パイオニア FM-B302
  • メンテナンス 八欧電機 Lー65 AM/SW/FM
  • メンテナンス 春日無線 3バンドラジオ AF-252
  • メンテナンス 東京芝浦 FM/AM ラジオ RM-306F
  • メンテナンス 松下(ナショナル) RE-860
  • メンテナンス 松下(ナショナル) RE-860 2号機
  • メンテナンス 真空管 3バンドラジオ RE-830
  • メンテナンス 真空管 FM/AM チューナー PIONEER TX-40 
  • メンテナンス 真空管 FM/AM ラジオ 音響 2号機 
  • メンテナンス 真空管 FM/AM ラジオ 音響 
  • メンテナンス 真空管 FM/AM ラジオ 音響 3号機
  • メンテナンス 真空管 FM/AMラジオ 松下(ナショナル) RE-760   
  • メンテナンス 真空管 FM/AMラジオ 松下(ナショナル) RE-760 2号機
  • メンテナンス 真空管 FMチューナー TRIO  FM-30
  • メンテナンス 真空管FMチューナFU-1000
  • メンテナンス 真空管FMチューナー ナショナル ES-901
  • メンテナンス 真空管ラジオ UA-625
  • メンテナンス 真空管ラジオ UM-680
  • メンテナンス 真空管ラジオ ナショナル CX-555
  • メンテナンス 真空管ラジオ 6FM-30
  • メンテナンス 真空管ラジオ BL-720
  • メンテナンス 真空管ラジオ FM-11
  • メンテナンス 真空管ラジオ FM/SW/AM 日立 3バンド
  • メンテナンス 真空管ラジオ ONKYO FM-820
  • メンテナンス 真空管ラジオ ONKYO OS-195
  • メンテナンス 真空管ラジオ ナショナルUA-360 1号機
  • メンテナンス 真空管ラジオ ナショナルUA-360 2号機
  • メンテナンス 真空管ラジオ ナショナル 5X-52
  • メンテナンス 真空管ラジオ ナショナル CM-615
  • メンテナンス 真空管ラジオ ビクター 5A-28 
  • メンテナンス 真空管ラジオ マツダ うぐいす CS
  • メーターアンプ
  • メーター直読式アンテナ インピーダンス メーター_
  • モノバンド qrp トランシーバー基板(rk-100)
  • ラジオの周波数表示に5桁LEDカウンター (M54821)
  • ラジオの周波数表示に  LEDカウンターモジュール
  • ラジオアンプ
  • ラジオカウンター電源基板
  • ラジオ周波数表示器(LC7265)。ラジオカウンター
  • ラジオ工作のテクニック
  • ラジオ調整のシグナルイジェクターtype4
  • リード 真空管7球 FMチューナーキット
  • レフレックス +再生 1球 真空管ラジオ (6GH8)
  • レフレックス +再生 1球 真空管ラジオ 2号機
  • レフレックス +再生 2球真空管ラジオ(6GK5+6N2P)
  • レフレックス 1球 真空管 ラジオ (6GH8) 2号機
  • レフレックス 1球 真空管 ラジオ (6GX7)
  • レフレックス 1球 真空管 ラジオ (6GX7) 2号機
  • レフレックス 1球 真空管 ラジオ (6KT8)
  • レフレックス 2球 真空管ラジオ (6EW6+6EW6) 
  • レフレックス 2球 真空管ラジオ (6JC6+6EH7)
  • レフレックス 4球 真空管 ラジオ GT管
  • ロクタル管ラジオ3号機
  • ロクタル管ラジオ4号機
  • ロクタル管ラジオ5号機
  • ロクタル管ラジオ6号機
  • ロクタル管ラジオ7号機
  • ロクタル管ラジオ8号機 
  • ロクタル管ラジオ9号機
  • ロクタル管ラジオ 10号機
  • ロクタル管ラジオ 第11号機
  • ロクタル管ラジオ 第12号機
  • ワイヤレスイク ne612 vc
  • ワンダーキット DSPラジオキット DS-RAD01
  • ワンダーキット FMワイヤレスマイク FW-208
  • ワンボード 2sc1815 ラジオ
  • 三洋 LA1260 に真空管式トーンコントロールを加えたラジオ基板
  • 三洋 LA1247中波ラジオ
  • 三菱 FMチューナー FM-212
  • 中国製キット 981
  • 中波 シンプルラジオ (one IC radio)
  • 中波帯AMワイヤレスマイク.  SL1641
  • 中波帯 ミニ ラジオ(TR 3石+IC)
  • 中波帯ワイヤレスマイク (RK-13B)
  • 中波帯ワイヤレスマイク ta7310
  • 中波:同期検波ラジオ(lm567)
  • 中波:同期検波ラジオ(ta7613)
  • 中波:同期検波ラジオ(tda4001)
  • 中部電力。
  • 偽情報を暴く
  • 公共事業での闇 状態列記
  • 公務員と民間の癒着
  • 初めてつくるラジオ with s meter
  • 初級向けワイヤレスマイク
  • 単球ラジオ:6AW8
  • 単球ラジオ:6BR8
  • 単球ラジオ:6EH8
  • 単球ラジオ:6GH8
  • 単球ラジオ:6GS7
  • 単球ラジオ:6GV8
  • 単球ラジオ:6GX7
  • 単球ラジオ:6HG8
  • 単球ラジオ:6KE8
  • 単球ラジオ:6KT8
  • 単球ラジオ:6KZ8
  • 単球ラジオ:6U8
  • 反社の土建屋。     反社会的勢力 長野県。
  • 古い日本のこと
  • 同期検波ラジオ TDA1220
  • 同期検波基板 NE612
  • 同期検波基板:sn16913
  • 型番 AMP- MINI KIT_
  • 基礎実験 のまとめ
  • 大町市led工事談合
  • 太陽光発電力は質の酷い電力
  • 実験
  • 実験中 2球 (6KT8+6JC6)⇒6GJ7+6GJ7
  • 実験的真空管4球 FM ラジオ 
  • 小型マイクアンプ基板キット(741式)
  • 差動入力FET型 1W アンプ
  • 差動式メーター
  • 悪質不動産屋
  • 技術upのための書籍
  • 時事
  • 東芝 TA7222 アンプ
  • 東芝 TA7769 AMP
  • 東芝 TA8227P アンプ基板
  • 東芝ラジオ 1979年発売のRP-71の修理
  • 松下 AN7470でFM 復調
  • 気功
  • 水晶発振周波数カウンターテスター DIY KIT
  • 法人塩尻市が不法埋設して 提訴された
  • 真空管 プリRF付きレフレックス5球ラジオ
  • 真空管ラジオ ift調整用455k発振器
  • 真空管ラジオAVC電圧でSメータ振らせよう
  • 真空管ラジオ 2球スーパー (6BY6+6GH8)
  • 真空管ラジオ 2球スーパー 6688
  • 真空管ラジオ 3球スーパー 2号機
  • 真空管ラジオ 3球スーパー 3号機
  • 真空管ラジオ 3球スーパー 初号機
  • 真空管ラジオ 4球スーパー(6BY6,6JC6,6AL5,6AB8)
  • 真空管ラジオ 4球スーパーヘテロダイン
  • 真空管ラジオ 5球スーパー 1号機(6BY6,6BJ6,EBF80,6J4,6AB8)
  • 真空管ラジオ 5球スーパー 2号機(6BY6,EBF80,6CZ5)
  • 真空管ラジオ 5球スーパー 3号機( 6AN5)
  • 真空管ラジオ 5球スーパー 4号機(6BY6,6BD6,6BA6,6AV6,6AQ5)
  • 真空管ラジオ 5球スーパー 5号機(6BE6,6BA6,6CR6,6DK6,6CM6)
  • 真空管ラジオ 5球スーパー マジックアイ 6E2
  • 真空管ラジオ 5球スーパー マジックアイ 6E2 2号機
  • 真空管ラジオ 5球スーパー マジックアイ 6E2 3号機
  • 真空管ラジオ 5球スーパー マジックアイ 6E2 4号機
  • 真空管ラジオ 5球スーパー マジックアイ 6E2 5号機_
  • 真空管ラジオ 5球スーパー マジックアイ 6E2 6号機
  • 真空管ラジオ 6球スーパー 1号機 (6BY6,6BA6,6BA6,6AL5,6N2P,6AR5) 
  • 真空管ラジオ 6球スーパー 2号機 (5915,6BA6,6BA6,6AL5,6688,6AQ5)
  • 真空管ラジオ 6球スーパー 3号機(6BE6,6BA6,6BD6,6AL5, 5AQ5)
  • 真空管ラジオ 6球スーパー 4号機 (6JC6)
  • 真空管ラジオ GT管 5球スーパー 01号機
  • 真空管ラジオ GT管 5球スーパー 02号機 6AQ7
  • 真空管ラジオ GT管 5球スーパー 03号機 6SQ7,6K6
  • 真空管ラジオ GT管 5球スーパー 04号機SQ7
  • 真空管ラジオ GT管 5球スーパー 05号機(6SQ7)
  • 真空管ラジオ GT管 5球スーパー 06号機(6AQ7 6V6)
  • 真空管ラジオ GT管 5球スーパー 07号機(6SQ7 6V6)
  • 真空管ラジオ GT管 5球スーパー 08号機
  • 真空管ラジオ GT管 5球スーパー 09号機(6AG7)
  • 真空管ラジオ GT管 5球スーパー 10号機
  • 真空管ラジオ GT管 5球スーパー 11号機
  • 真空管ラジオ GT管 5球スーパー 12号機
  • 真空管ラジオ GT管 5球スーパー 13号機
  • 真空管ラジオ GT管 5球スーパー 14号機
  • 真空管ラジオ GT管 5球スーパー ver2
  • 真空管ラジオ GT管 5球スーパー 15号機
  • 真空管ラジオ GT管 5球スーパー 16号機
  • 真空管ラジオ GT管 5球スーパー 17号機
  • 真空管ラジオ GT管 5球スーパー 18号機
  • 真空管ラジオ GT管 5球スーパー 19号機
  • 真空管ラジオ GT管 6球スーパー 1号機(6SA7,6SK7,6SK7,6H6,6C5,6P6)
  • 真空管ラジオ GT管 6球スーパー 2号機
  • 真空管ラジオ GT管 6球スーパー 3号機(6J5
  • 真空管ラジオ GT管 6球スーパー 4号機
  • 真空管ラジオ GT管 6球スーパー 5号機
  • 真空管ラジオ GT管 中波&短波 2バンド 10号機
  • 真空管ラジオ GT管 中波&短波 2バンド 11号機
  • 真空管ラジオ GT管 中波&短波 2バンド 12号機
  • 真空管ラジオ GT管 中波&短波 2バンド 1号機
  • 真空管ラジオ GT管 中波&短波 2バンド 2号機
  • 真空管ラジオ GT管 中波&短波 2バンド 3号機
  • 真空管ラジオ GT管 中波&短波 2バンド 4号機
  • 真空管ラジオ GT管 中波&短波 2バンド 5号機
  • 真空管ラジオ GT管 中波&短波 2バンド 6号機
  • 真空管ラジオ GT管 中波&短波 2バンド 7号機
  • 真空管ラジオ GT管 中波&短波 2バンド 8号機
  • 真空管ラジオ GT管 中波&短波 2バンド 9号機
  • 真空管ラジオ GT管 中波&長波 2バンド
  • 真空管ラジオ MT管IF3段
  • 真空管ラジオ ST管5球スーパー 1号機
  • 真空管ラジオ ST管5球スーパー 2号機
  • 真空管ラジオ ST管5球スーパー 3号機
  • 真空管ラジオ ST管5球スーパー 4号機
  • 真空管ラジオ ST管5球スーパー 5号機
  • 真空管ラジオ ST管5球スーパー 6号機
  • 真空管ラジオ ST管5球スーパー 7号機
  • 真空管ラジオ ST管 中波&短波 5球スーパー 1号機
  • 真空管ラジオ ST管 中波&短波 5球スーパー 2号機
  • 真空管ラジオ ST管 中波&短波 5球スーパー 3号機
  • 真空管ラジオ ST管 中波&短波 5球スーパー 4号機
  • 真空管ラジオ ST管 中波&短波 5球スーパー 5号機
  • 真空管ラジオ ST管 中波&短波 5球スーパー 6号機
  • 真空管ラジオ 他励式 短波スーパーラジオ
  • 真空管ラジオ 他励式 短波スーパーラジオ 2号機
  • 真空管ラジオ 他励式5球スーパー 6FM8
  • 真空管ラジオ 他励式6球スーパー ラジオ (6BZ7,6BD6,6BD6,6AL5,6HM5,6AR5)
  • 真空管ラジオ 他励式 BC帯5球スーパーラジオ(6BQ7)
  • 真空管ラジオ 他励式 BC帯6球スーパーラジオ 6GH8 6688
  • 真空管ラジオ 再生式3球(6688+6688+6LF8)
  • 真空管ラジオ 電池管 2球レフレックスラジオ
  • 真空管ラジオ 高1中1  4球スーパー  (6688,6BY6,6GH8,6AQ5)
  • 真空管ラジオのゲルマ検波化 (改造)
  • 真空管ラジオの外部入力用専用基板(L,R)
  • 真空管ラジオキット(COSMOS) 中・短波受信機キット 他励式 O-V-2(6J5,6SJ7,6SQ7,6V6)
  • 真空管ラジオキット(COSMOS)  GT管 5球スーパ ー (6SA7+6SK7+6SK7+6SQ7+6V6)
  • 真空管ラジオキット(COSMOS)  中波 6球スーパー(6BE6+6BJ6+6BD6+6JH6+6N2P+6AQ5)
  • 真空管ラジオキット(COSMOS) 中・短波 7球 2バンド  スプリッドバリコン式
  • 真空管ラジオキット(COSMOS) 中波GT管7球スーパー
  • 真空管ラジオキット(COSMOS) BC帯 中2 5球スーパ ー (6BY6+6BJ6+6BJ6+6BC5+6AQ5)
  • 真空管ラジオキット(COSMOS) BC帯 中3 6球スーパ ー(5915+6BJ6+6BZ6+6BZ6+6DK6+5AQ5)
  • 真空管ラジオキット(COSMOS) 中・短波 2バンド 4球スーパーラジオ(6BY6,6BA6,6LM8,6AQ5)
  • 真空管ラジオキット(COSMOS) 中・短波 2バンド 6球スーパ ー(6BY6,6BD6,6BD6,6BD6,6HA5.6AQ5
  • 真空管ラジオキット(COSMOS) 中・短波 2バンド バーニア式(6BE6,6BA6,6BZ6,6AV6,6AQ5)
  • 真空管式 FMラジオ (ロックド・オシレータ)
  • 真空管式 FMラジオ (レシオ検波) 
  • 短波LA1260受信機
  • 短波スーパー受信機 TDA1572 for 7.5MHz
  • 短波スーパー受信機: TDA1572(高周波増幅1段)
  • 短波ワイヤレスマイク: S042P
  • 破産:清算の歴
  • 禁断のヘッドホンアンプ
  • 秋月電子 FMワイヤレスマイク キット(ステレオ)
  • 秋月電子 LCDオシロキット  (JYE Tech)
  • 秋月電子 マイコンデジタル時計キット Ver.3
  • 科研 (KAKEN) ACT3 AMラジオキット
  • 穂高温泉
  • 簡易マイクアンプキット
  • 脱法コピー疑義のある品々
  • 自作 5石AM ワイヤレスマイク(トランス変調)
  • 自作 7Mhz 3球 1IC ダイレクトコンバージョン
  • 自作 BC帯ワイヤレスマイク 電池管3球+2TR
  • 自作 DC12V 3球式AMワイヤレスマイク 
  • 自作 LC発振 4石FMワイヤレスマイク(バリキャップ変調)
  • 自作 「1球+1石」スーパーラジオ
  • 自作 ミニチュア6球スーパー 2号機
  • 自作 ラジオ用GT管アンプ 
  • 自作 ワイヤレスマイク: AN610
  • 自作 中波帯 GT管式AMワイヤレスマイク 2号機
  • 自作 中波帯 ミニチュア管 ワイヤレスマイク
  • 自作 中波帯 ミニチュア管 ワイヤレスマイク 2号機
  • 自作 中波帯 ミニチュア管 ワイヤレスマイク 3号機
  • 自作 中波帯 ミニチュア管 ワイヤレスマイク 4号機
  • 自作 中波帯 ミニチュア管 ワイヤレスマイク5号機
  • 自作 中波帯 ミニチュア管 ワイヤレスマイク 10号機
  • 自作 中波帯 ミニチュア管 ワイヤレスマイク 6号機
  • 自作 中波帯 ミニチュア管 ワイヤレスマイク 7号機
  • 自作 中波帯 ミニチュア管 ワイヤレスマイク 8号機
  • 自作 中波帯 ミニチュア管 ワイヤレスマイク 9号機
  • 自作 中波帯 GT管式AMワイヤレスマイク
  • 自作 中波帯 GT管式AMワイヤレスマイク 03号機
  • 自作 中波帯 GT管式AMワイヤレスマイク 04号機
  • 自作 中波帯 GT管式AMワイヤレスマイク 05号機
  • 自作 中波帯 GT管式AMワイヤレスマイク 06号機
  • 自作 中波帯 GT管式AMワイヤレスマイク 07号機
  • 自作 中波帯 GT管式AMワイヤレスマイク 08号機
  • 自作 中波帯 GT管式AMワイヤレスマイク 09号機
  • 自作 中波帯 GT管式AMワイヤレスマイク 10号機
  • 自作 中波帯 GT管式AMワイヤレスマイク 11号機
  • 自作 中波帯 GT管式AMワイヤレスマイク 12号機
  • 自作 中波帯 GT管式AMワイヤレスマイク 13号機
  • 自作 中波帯 GT管式AMワイヤレスマイク 14号機_
  • 自作 中波帯 GT管式AMワイヤレスマイク 15号機
  • 自作 中波帯 GT管式AMワイヤレスマイク 16号機
  • 自作 中波帯 GT管式AMワイヤレスマイク 17号機
  • 自作 中波帯 GT管式AMワイヤレスマイク 18号機
  • 自作 中波帯 GT管式AMワイヤレスマイク 19号機
  • 自作 中波帯 GT管式AMワイヤレスマイク 20号機
  • 自作 中波帯 GT管式AMワイヤレスマイク 21号機
  • 自作 中波帯 GT管式AMワイヤレスマイク 22号機
  • 自作 中波帯 GT管式AMワイヤレスマイク 23号機
  • 自作 中波帯 GT管式AMワイヤレスマイク 24号機
  • 自作 中波帯 GT管式AMワイヤレスマイク 25号機
  • 自作 中波帯 GT管式AMワイヤレスマイク 26号機_
  • 自作 中波帯 GT管式AMワイヤレスマイク 27号機
  • 自作 中波帯 GT管式AMワイヤレスマイク 28号機
  • 自作 中波帯 GT管式AMワイヤレスマイク 29号機
  • 自作 中波帯 GT管式AMワイヤレスマイク 30号機_
  • 自作 中波帯 GT管式AMワイヤレスマイク 31号機
  • 自作 中波帯 GT管式AMワイヤレスマイク 32号機
  • 自作 中波帯 GT管式AMワイヤレスマイク 33号機
  • 自作 中波帯 GT管式AMワイヤレスマイク 34号機
  • 自作 中波帯 GT管式AMワイヤレスマイク 35号機
  • 自作 中波帯 GT管式AMワイヤレスマイク 36号機
  • 自作 中波帯 GT管式AMワイヤレスマイク 37号機
  • 自作 中波帯 GT管式AMワイヤレスマイク 38号機
  • 自作 中波帯 GT管式AMワイヤレスマイク 39号機
  • 自作 中波帯 ST管式AMワイヤレスマイク
  • 自作 中波帯 ST管式AMワイヤレスマイク 02号機
  • 自作 中波帯 ST管式AMワイヤレスマイク 03号機
  • 自作 中波帯 ST管式AMワイヤレスマイク 04号機
  • 自作 中波帯 ST管式AMワイヤレスマイク 05号機
  • 自作 中波帯 ST管式AMワイヤレスマイク 06号機
  • 自作 中波帯 ST管式AMワイヤレスマイク 07号機
  • 自作 中波帯 ST管式AMワイヤレスマイク 08号機
  • 自作 中波帯 ST管式AMワイヤレスマイク 09号機
  • 自作 中波帯 ST管式AMワイヤレスマイク 10号機
  • 自作 中波帯 ST管式AMワイヤレスマイク 11号機
  • 自作 中波帯 ST管式AMワイヤレスマイク 12号機
  • 自作 水晶発振式4石FMワイヤレスマイク(バリキャップ変調)
  • 自作 水晶発振式FMワイヤレスマイク
  • 自作 真空管 BC帯 2球ワイヤレスマイク(6N2P+6CH8 トランス変調)__
  • 自作 真空管 BC帯 4球ワイヤレスマイク
  • 自作 真空管 FMワイヤレスマイク 1号機 2球(6EW6+6AQ8)
  • 自作 真空管 FMワイヤレスマイク 2号機 3球(6EW6+6EW6+6GU7)
  • 自作 真空管 FMワイヤレスマイク 3号機 2球(6BK7+6GU7)
  • 自作 真空管+TR ハイブリッド AMワイヤレスマイク (6BA7)
  • 自作 真空管+TR ハイブリッド AMワイヤレスマイク (トランス変調 3A5) 
  • 自作 真空管6球受信機
  • 自作 真空管FMワイヤレスマイク 4号機
  • 自作 真空管FMワイヤレスマイク 5号機
  • 自作 真空管 4球 
  • 自作 真空管+TR AMワイヤレスマイク(トランス変調12DW8)
  • 自作 電池管3A5 ハイブリッドFMワイヤレスマイクの番外編
  • 自作 電池管3A5+TR ハイブリッド FMワイヤレスマイク 
  • 自作 電池管3A5 AMワイヤレスマイク2球式 ( トランス変調)
  • 自作 電池管3A5 FMワイヤレスマイク
  • 自作スーパーラジオ :キットケースに収納。
  • 自作ラジオを市販ケースに入れよう」: TA2003
  • 自作向け忘備禄。
  • 自作品 ダイジェスト
  • 複合管 6AQ7  真空管ラジオ GT管 5球スーパー20号機
  • 複合管 6AQ7  真空管ラジオ GT管 5球スーパー 21号機
  • 複合管 6AQ7  真空管ラジオ GT管 5球スーパー 22号機
  • 超再生式 小型トランシーバー基板
  • 超再生式トランシーバーキット JC986A
  • 超再生式検波の実験 FM帯
  • 超再生式検波の第4弾
  • 超再生式検波受信基板 
  • 超再生式検波基板 (MAX295)
  • 超再生式検波基板 タイプD
  • 転売ヤー。 落札代行業。
  • 遅延タイマー
  • 録録 ★作者
  • 録録 ★談話室 Q & A
  • 録録 ★
  • 電池管1R5でワイヤレスマイク
  • 電池管レフレックスラジオ基板
  • 電池管ワイヤレスマイク1(FM変調)
  • 電流帰還アンプ 調査編
  • 電源基板 RK-88
  • 飯山ホテル 補助金
  • 高感度レフレックスラジオ
  • 麦島

ラジオの動画

  • 自作真空管ラジオ。 AUXにFMチューナーからの信号 - YouTube
  • スマホでラジオauxへ入れる - YouTube
  • ロクタル管自作ラジオで youtubeを聴く
  • 6D6再生ラジオで実験
  • ハム音の比較にどうぞ
  • radio counter
  • 真空管ラジオのブーン音はどこまで小さくなるか?
  • 12Z-E8 マジックアイ RE-860 - YouTube
  • はいぶりっどラジオ 1-V-2 デジタル表示
  • TRIO FMチューナー FM-102をST管UZ-42で聴く
  • ラジオ工作  6GX7 レフレックスラジオ
  • 4バンドラジオキット KIT-006D
  • メタル管ワイヤレスマイク 真空管インジケータ
  • 「レフレックス+再生」式 単球ラジオ。
  • 自作6球スーパラジオの音。 6BY6,6BD6,6BD6,6AL5,6688,6AQ5
  • FM /AM 真空管ラジオ FM-11 シャープ
  • 超再生式FMチューナーキット DBR-402
  • 真空管ラジオ CM-615
  • GT管6球  スーパーラジオ 
  • トランスレス ラジオ UA-360 2号機
  • トランスレス ラジオ UA-360 1号機

多種類リンク

  • ねじの通販【nejiya.jp】
  • 道路
  • hiro99ma blog
  • electronics-tutorials
  • ManualsLib - Makes it easy to find manuals online!
  • flightradar24
  • ネットゲリラ
  • アイドラッグストア
  • ベストケンコー|公式薬通販サイト|Bestkenko.com
  • Kazumoto Iguchi's blog 3
  • 千曲川河川事務所 千曲川・犀川ライブ映像
  • 大町ダム管理の監視カメラ一覧
  • 大町ダム観測所
  • 北アルプス東麓防災情報
  • MS blog(ブログ)
  • 地理院地図
  • 中部電力 申し込み書類サイト
  • YokoとJazzと○○と
  • シール印刷・Tシャツ・マグネット|印刷通販【デジタ】
  • クロネコポイントメニュー | クロネコメンバーズ
  • 株式日記と経済展望
  • LOHACO - 食品・調味料・缶詰 通販
  • 中国茉莉花革命
  • 大島てる
  • キャッツクロー
  • クトゥルー神話と堤康次郎 - ネットゲリラ
  • ファミリー薬局SG | 医療用医薬品の非処方せん薬、医療用漢方薬、第1類医薬品、新規第2類医薬品
  • 総務省 電波利用 電子申請・届出システム Lite
  • チョイあげ本舗のお買い物ページ
  • A.G. Tannenbaum
  • R148 大町⇔小谷  道路映像ライブカメラ
  • .− TODAY'S REMARK − 今日の必ずトクする一言
  • 【未解決事件】皇室ゆかりの品、ヤフオク大量流出事件【風化防止】 ‐ ニコニコ動画:GINZA
  • 随想 | 文苑 | 東京木材問屋協同組合
  • 静嘉堂文庫美術館 | 刀剣・刀装具
  • ようこそコンピューター画像解析の世界(古墳陵主)へ
  • 一式戦闘機「隼」研究所-隼の誕生
  • ■□ ようこそ体験教室の青木湖キャンプ場へ ■□■
  • 二階堂ドットコム

ラジオ系情報

  • ラジオ少年
  • サトー電気
  • フォアーランド電子
  • ポータブル・ラジオのページ
  • CYTEC
  • CRkits共同購入プロジェクト (JL1KRA)
  • 有限会社五麟貿易
  • Wコールがききたくて
  • ラジオ兄さんの電子工作日記
  • 電子パーツ通販のKURA-本店-
  • DFK技術研究所
  • JA9CDE自作を楽しむホームページ
  • 沼南ラジオ工作室
  • qrp-gaijin
  • 祐徳電子(Yutoku Electronics)
  • CHINA ARDF WEB
  • ラジオの製作 jq16146のブログ
  • 東栄変成器
  • 【SWP GINZA】スピーカーネット商品一覧
  • Internet Archive Search
  • 真空管パーツ販売 (フロービス)
  • Evolve Power Amplifiers
  • 真空管ラジオのお部屋 JH4ABZ
  • JF1OZL
  • YO3DAC - Homebrew RF Circuit Design Ideas
  • UK Vintage Radio Repair and Restoration Discussion Forum
  • ブラウザ電子回路シミュレータ「ざわざわシミュレータ」
  • Synchronous Demodulation
  • Alan Yates' Laboratory - 555 Super-Regenerative IF HF Spectrum Analyser
  • ELEKTOR: Electronics hobbyist magazine from the UK and India
  • WIRELESS WORLD: UK technical magazine 1913-2005
  • POPULAR ELECTRONICS: Consumer Electronics and Experimenter magazine
  • 電子工作 
  • nobchaの電子回路日記
  • Push Pull Amplifier Bias Calculator
  • headphonesty.com
  • .− TODAY'S REMARK − 今日の必ずトクする一言 since 1996
  • WA1QIX
  • PRE parts
  • 電子回路のお遊びの部屋
  • elektuur
  • メイン
  • 記事一覧
PC表示に切り替え