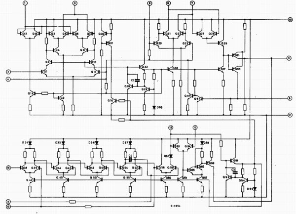
tda1220bのdbm部

tda1220bは同期検波ラジオicだ。AM検波とFM検波の等価回路が示すように SSB復調はできる。「ゲインが出るかどうか?」。

AM検波とFM検波の等価回路の違いは理解できた。

Tda1220a

*******************************

警察指示で、「 薬物中毒者から緊急避難中 」なので、実験環境にない。

事件が片付いたら実験してみる。

コメント(0)