有名なsiteで公開していた。
正負電源でなく単電源で動作すると主張している。
上の式は、成り立たない。
Vao1とVoは2.5vを保とうとする。 op等価回路がそうなっている。
電位の歪さ(いびつさ)は、どのICで吸収していますか?
「v1が0.1V」 では悲鳴を上げるICが圧倒的多数。 等価回路をみて、入力差動回路負荷具合を確認し使える型番を選ぶこと。
金をお支払いしていないが、上図は落ちていた。
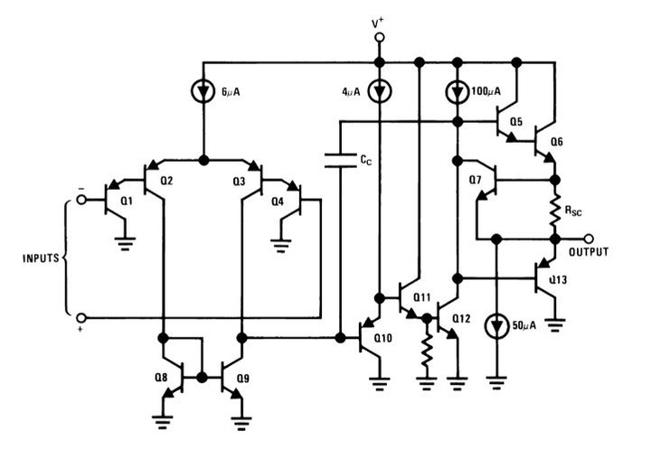
NE5532は1979年から流通している古典IC。NE5532は下動画のように単電源5Vで動作する、このNE5532で動作しなきゃ、ほぼ全滅。
**************************
この模式図(東芝)のようにVoutはVddの半分になる。 東芝も間違ってはいるので、広報エンジニア水準は高くない。
Vddの半分でない場合には、push または pull側の電流が少々異なってくる。
入力pinにDC0.1vで動作しますか?? カレントミラーが機能しますか???
Rscに生じる電位にみあうようにOut put端電位は中位より低い。出力端電位を中位より下側で使いたい場合にはこの手のオペアンプを使う。
このICでもIN電圧0.1Vでは差動部が成立しない。OUTPUTは等価回路の示すように中位のゼロV![]()
「机上エンジニア」が執筆しているので、空想の世界になっている。
経営コンサルタントのIT版なのが机上エンジニア。
