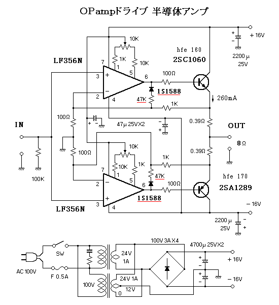
題名 オペアンプドライブ 10Wパワーアンプ
これは、MJ誌の第6回自作アンプコンテスト参加作品のひとつ、六田嘉明氏の手によるもの。同誌1994年4月号 130頁から133頁に詳細が掲載されています。(引用元はここ。 chibidac殿、多謝)。写しは国会図書館等から金員と交換でゲットできる。
Q: OP AMPのIN Zは10の12乗と高いデバイスだ。そこで信号源とのインピーダンス整合用にもう一段 CR回路は必要ないのか? 。 Zが10の7乗なのを1段で誤魔化すのは経験上きついぞ。
ゲインは「1k vs 100」に依存する。 100オームを入れることによりOP AMP個体差起因のトラブルを減らしてもいる。 実装時には PIN2での電位差を確認する必要がある。差が0.1mVもあれば拙いように思う。 PIN6が供給電圧センターからズレていることもありそうなので要チェック。
あるいはここも有名だ。
Q:「同相で信号を戻している理由は、どうしてか?」
デバイスは push pull動作なので、B級。 condution angle が重要。
クロスオーバー歪み改善技術は、1970年から71年にかけて欧州で確率された。 日本の技術ではないので情報が弱い。 current dumperと呼ばれていた技術。
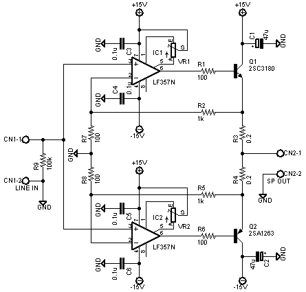
JF1OZL氏の1998年公開回路。
JF1OZL style .Emitter-follower-power-amplifier.として公開中。
