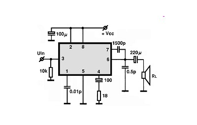
Equivalent to M51182BP, SK4839, NTE1467。
といわれてもdata sheetがはっきりしなくて、3vでも動作するらしいいし、上限は12v説、14v説の2つある。
webでみつかる回路では2秒ほどは音がでた。 それ以降はダマリこむ。
SHOPからも購入した。ICがお亡くなっており、音が出ないのが20個。 回路図はOKらしいが、 購入したすべてのICが死亡中。時間が無駄になった。
低周波発振器からの信号をpin 3へ 入れると発振する。 ゲイン過多のアンプぽい。
pin1へ信号入れると1/100程度 pin6にでてくる。
pin2は プリアンプ部につながっているらしい。
