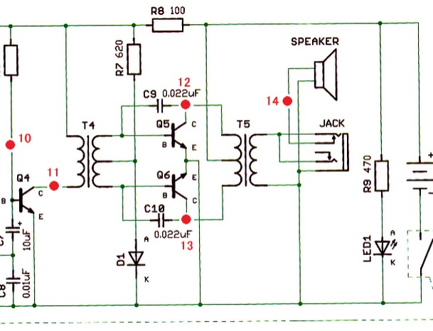
CLASS Bのアンプ。
山水電気の田中氏が1981年に公開したSEPP 論文からの引用。
この話の続です。
CLASS Bの動作説明。 push と pullがある。
************************************************************
ここから
無帰還純A級オールディスクリート の闇について
1, 山水の田中氏がCLASS Bの動作論文公開した回路を、A級と 呼んでいる勢力がある
2:上のCLASS Bに多数部品(current dumper) と呼ばれた回路を吊るしただけ。
3:非等負荷差動回路に加えて、R17、R20では 電圧はイコールにならず、あとあと面倒だと思う。
この多数部品を吊るしたCLASS Bは、下図のように直結帰還型アンプ。
帰還量は、
「470 vs 330k」 と 「R11, R18,R19」の2ラインで決まる。しかし信号到着時間差が10ナノ秒??程度生じてしまう。 それをどうするか? は FA機械設計屋のオイラには無理。
周波数特性はC5の値にかなり左右される。
つまり学習していない人物が、偽りを語っている状態。 だから自称「無帰還 A級」です。
勉強していないことを自慢してどうしたいのでしょうか?
本当の無帰還アンプはメーカーからでている。 それはここ。
****************************************
高fT/高速SWトランジスタが開発された80年代以降、 小信号時A級大信号時B級の可変バイアスコントロール が可能になり熱排出と能率問題の改革につながった。
商売のためにはイメージUPが必要なので「リニアA」、「ノンスイッチング」、 「A+級(Class A+)」、 「Class AA」、「New Class A」 「ピュアA級」、「ノンスイッチングA級」、 「New Super Optical Class A」、 「HCA」、「Dual Amp Class A」、 「ピュアA」、「スーパーA」、「クォーターA」等の名称で 「B級アンプをA級と混同するように仕向けた」。
