FM復調デバイスは 「供給12V近傍から9V近傍」の製品が主流だった。6Vで動作するのはちらほらありTA7343等は有名だ。
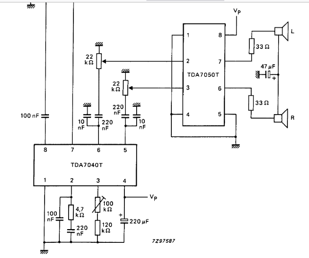
今日は3Vで動作するステレオ復調デバイスのひとつ TDA7040をつかった。 PIN8製品が入手できなかったので SOPからの変換基板で動作させた。
YouTube: FM stereo demodulation TDA7040 drives TDA7050
ST LED onの抵抗は390オームが良いように思う。
下図のように tda7040+tda7050で設計されている。(pdf参照)
RK-276.
通算534作目。
