2014年にNE570を20個購入して そのままになっていた。
NE570で検索すると 「Electro-Harmonix Deluxe Memory Man」が 比較的上位にくる。機械設計屋のオイラに???なんだが、 超有名なことは判った。
データシートをみると信号源レンジ100dBmあればそれを50dBmに抑え込むIC。 エネルギー圧縮デバイスであり、差分エネルギー50dBなので 1/10万分 ??に圧縮する。
「供給されてoutしていないエネルギーは熱に変わる。」。Win >>>W outで動かすデバイス。
入力上限で頻繁に使うならば放熱も設計視野にはいる。
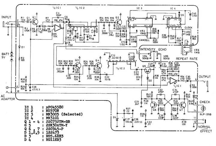
BBDは1976年頃に松下が市場投入したMN3005等が使われている。 pioneerレーザーディスクでカラオケ全盛期が始まった頃のお話。pioneerが使った光学headは 新光電気の製品。100万個/月で製造していた。
ヒトの耳では遅延時間0.25m秒から判別できる。
************************************
CA3080(LM3080)の周波数特性は、フラットでない。 とある点で持ち上がりがあるので、採用を止めた歴史が オイラにはある。 youtubeにてca3080特性動画は公開済み。外付部品なしでpeak pointがあるdeviceだ。
web回路を信じるのは自由だ。 騙されるのも自由だ。
ca3080は共振周波数外ではあれって動作になる。(音楽向けとは思えない周波数特性)
************************************
NE570の使い方を学習しはじめた。20ミリ秒から200ミり秒の遅延できるのがMN3005。クロックジェネレーターは必要だったか? 内部回路だったかの記憶が弱いので、資料を見直している。
経験上「20ミリ秒は長い」とおもうが、、。 MN3006使ったことはある。
これも参考になるらしい。
