3vで鳴る石アンプ考察。
40mWしか出力しないが、 RK-184にて基板化すみ。
基板1枚に2ch入れた。RK-190
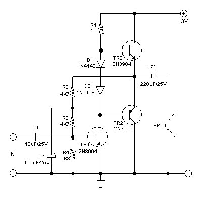
3トランジスター回路の場合。
・3v供給で 100mA流れれば 0.3W input。 「WEBで見掛けるのが実測sepp 効率 0.1~0.15 くらい」なので出力は30mW~45mw程度になる。 「オイラの基板で3V供給 出力40mW」は平均的な数値。
・単三電池の場合 「3vで100mA」はほぼ供給上限に近い。 130mAも流すと電圧ドロップしてモーターボディングモードに入れる。
・供給エネルギーを「単三 2本で3V」に限定すると 出力40~50mWが上限。 (歪んだ音でOKであれば もっと出てくる)
*****************************************************************
代表的な回路例。 ダイオード2個によりSEPPでの 波形つなぎポイントが改善された例。この技術は1970年(71年だったかも)の技術。これより以前は半固定抵抗により可変で最善点をきめていた。 日本語での技術経過での説明文はいまは見当たらないので、往時の英文で調べることをお薦めする。
seppでの理論効率上限は0.56なので、供給エネルギーの半分は熱等で消えていく。 音の良い作例は、WEBをみても効率0.1前後。まれに0.16な製作例がある。
***********************************************
・NJM2073は0.1W/3V時。
・TDA7050は3V供給時 出力0.25Wも出る。 効率0.25と仮定して、逆引きすると1W供給だ。 VR maxで使うならば単1の2本で鳴らしたいとこだ。
***********************************************
