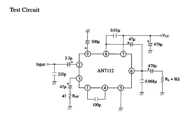
audio全盛期のデバイスのひとつにAN7112がある。 UTC? でもライセンス生産しているようでそこそこ流通している。
動画のようにVR開度40%ほどでガンガンと鳴る。6V供給で出力0.5Wと公開されている。
YouTube: AN7112 stereo amp .d.i.y
供給電源としては6vから12v近傍で使える。 低電圧だと電圧の壁起因で波形が汚くなる。 推奨は8v~11vだろう。
上図のように 発振止めのCとして 0.01u, 100p, 0.0068等が入っている。 基板上の配置によっては発振しない。
今回は発振しないので0.01u, 0.0068は実装レスで鳴らした。 hi上がりの音で鳴っている。
6V供給時の入力上限は30mV。データシートでは「5mV入力で Gv=50dB」と増幅度は大きい。ラジオのAF部 に丁度良い。
***********************************************
RK-256
