アンプ動作は上図のように conduction angle でも表現できる。
CLASS B でよく知られているのはラジオAF.
これを模式図にするとAUDIO マニア向けの図になる。
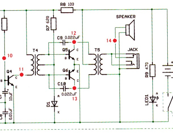
超簡単な自作アンプ。 電源電圧に出力は依存する。
6V供給時に1W (8オーム負荷)
出力2W必要ならば32オーム負荷で11V供給。
音はlm386より格段によい。歪率もLM386より良い。 出力端ノイズは0.2mVとLM386より良い。 TDA7053A-1.PDFをダウンロード
このICは1990年代登場らしい。
***************************************
通算502作目。 RK-238
