JH1FCZ氏が1985年ころに言及していた 超変調(AM)。
往時 ピコ虎を手にしていたのであれば既知であろう。 オイラはpicoシリーズに興味を持つことなくラジオカセットの修理をしていた。工場労働者Aであった。
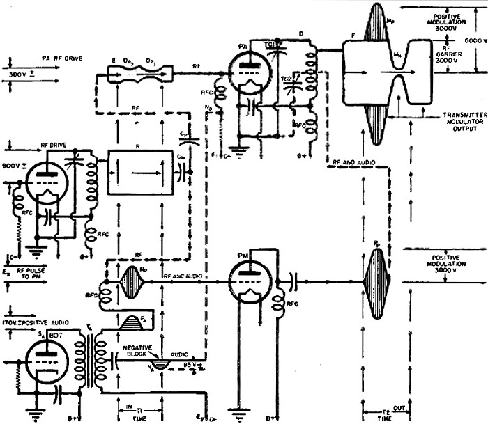
先日、アーカイブをパラッとみたら AMの変調度向上のテクニックとしてヒント記事があった。原典はJAなのか Wなのかはこの瞬間は判らん。
理解が追い付いていないが、コリンズ 32V-3への回路が付属しており、真空管TXであれば工夫することなくばそのまま使えるのは事実。
**************************************
下のは1948年公開の超変調回路。 日本人が紹介した回路とは結構違う。
