フルディスクリート ヘッドホンアンプ 回路図 (片ch 9石). 14V供給で1W出力。

まずは基本から。

push も pullもない。 CLASS_A

1024pxelectronic_amplifier_class_as

 
 

pushするTR と pullするTRが存在する。 CLASS_B.

Class_b_2

 
 
 

上図のB級アンプをA級と云いだす間抜けが多いので、驚く。 電子回路の学習をしてないがバレる。

 
 

動作点(バイアス)的にはこうなる。conduction angle.

CLASS ABでは180度を超えるのでオーバーラップしてくる。 ここの合わせを curent dumper と呼ぶ(欧州ではそう呼んでいた)。

 

Classesofpower20amplifiers

勉強していないゆとり世代が圧倒的なので、物つくりは日本ではもう無理だろう。

 
 

 
 
 
 

日本ではノイズが強い2SK170が人気である。 

2sk170の特性を揃えて差動入力を組むのも流行りだが、 等負荷の差動回路ではないのが9割占有しており、その回路ではデバイスに流れる電流はイコールにはならない。 hfe特性を揃えてもそれぞれの電流が違うので、動作点が違う。 動作点が異なるのにも関わらず特性を揃えるメリットは、 心理面だけだ。    非等負荷の差動入力回路では、特性を揃える科学的メリットは薄い。

 英語圏では 等負荷差動入力回路を頻繁にみかけるが、日本でのweb siteではレアだ

2SK170と量産2SA1015のノイズ量比較SITEがない水準の日本だ。「机上の数値を忖度すると出世できる」のが東芝、三菱、富士通、ダイハツ、等なので、実験真値をdatasheetにしているかは謎だ。  無理して2SK170をGETすることはない。       

 使うと判るが、sanyoのラジオICは性能がよいし、松下のaudio ICは性能がよいのも事実。

***********************************************************

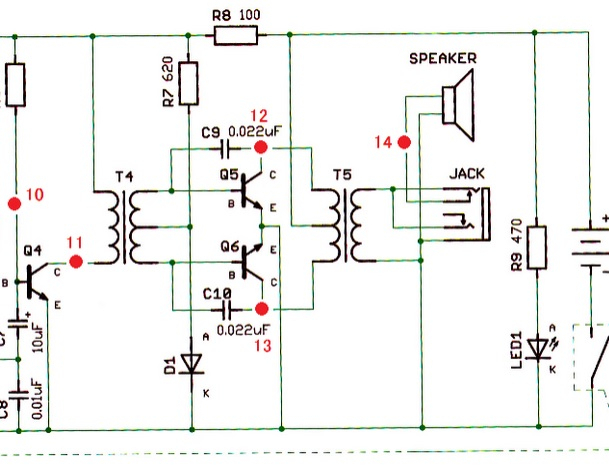
9石のフルディスクリートヘッドホンアンプ(片ch)。回路は1969年頃の古典からもってきた。差動回路で入力。

2SA1015と2SC1815.  3V供給時には12mW. 6Vだと150mW.  RK-225。 Low noise仕様の2SA1015Lでつくると実に低ノイズアンプが完成する。(Low noise品は、量産品からのノイズ選別品なので 通常品は2sk170と同ノイズ)

図中D1とD2は必須。これがない超古典回路もあるが、少々問題があるのでダイオードが入った回路に進化した。 D1,D2の役割を解説した本、web siteは多数ある。      役割を知る人間は、回路にdiodeを入れておる。diodeを入れることにより硬めの音になる。メリハリがはっきりする。エッジが立つ。 これは真空管回路終段のsgにdiode経由で印加した場合と同じ傾向の音にかわる。                     「エッジの立つ音を嫌う層は 抵抗だけでまとめている」のも事実。       そういう歴史と回路を学習するかしないかは、製作側のオツムの出来に依存する。      指示待ち人間や知的好奇心のない者は真似して終わりなので、外部からみて、彼等の将来性まで含めて判りやすい。

 R5でゲイン調整。動作点へガツンガツンと影響ある部品ではないので 好みで触れる終段を2SC3422,2SA1359等にかえてR2、R3、R7を変更すると 出力は実測1.1W(14V供給)程度になる。 9Vで350mW出力前後と小さい。 12V供給では820mW(このあたりが使いやすいだろう).

 14V時 300mV INで1.1W前後。R5=100.

   17V時には出力1.95W。R5=82

終段に流れる電流の大小で音色が異なる。 エネルギー変換効率を上げると音は細くなるのは真空管アンプも同じ。 one deviceのClass_Aでも電流を大きくしたampでは良い音するのと、全く同じ。

「RK-143,RK-150で電流値を変えて音色確認した経験」がここに生きている。2SC1815でも無信号時50mA程度は流すと音質が上がってくる。

Rk22913

ぺるけstyleの1.8倍ほど電流は流れる。結果、艶のある音になった。

 NFB量はR4,R6比率で決まる。

 
 
 

3v供給時のR

Rk22509_2

 

2sc1815と2sa1015で構成されたアンプの音。6vで100mW超え出力。 つまり9Vも掛ける必要はない。


YouTube: ディスクリートアンプ /2SA1015+2SC1815 (100mW ? )の音

 
 
 
 
 
 
 
 終段パラ (7.5V時)
 

Rk226v2

BLで2パラ :シングル時よりよい音。


YouTube: 2SA1015と2SC1815だけでつくる 220mWアンプ。7.5V供給

 
 
 
 GRで5パラ 。見かけのCobが増えたが ヒトの声は 地上会話で耳から聞こえてくる音に近づいた。


YouTube: ディスクリートアンプ 2sa1015+2sc1815. 出力300mW. 8V供給

 
 
 
 

14V供給時には1W出力したsepp 回路

 :

Rk229

 
 
 

SEPP_OTLなので回路としては、CLASS_AB.

SEPPでのCLASS_Aは論理上存在しない。 SEPP回路はCLASS_Bに該当し、歪を減らす方向でA級側に近づけただけ。 日本語教本、英語教本をみてもSEPPはCLASS_Bで動作説明されている。

「波形上側と下側の担当デバイスが個々に存在するのでCLASS_Aとは呼べない」。 しかし学習レスの人物がCLASS_Aと誤称している。  回路作図者ごとに呼称が違うのも不思議だが、1970年にはCLASS_AB あるいはCLASS_Bと呼ばれていた。

歪率測定はルールが定まっている。 音源インピーダンスは1Kオーム。入力信号強さも定まっている。これに適合して計測している高名な個人siteはゼロぽい。 

******************************************************************

LRを1枚基板に載せたのはRK-226(4月14日リリース済み).

初段をFET化すれば入口のCは不要になる傾向だが、音源と結線すると電圧勾配が生じテスター計測できる程度の電圧は生じる。 この生じた電位が音源に影響なければ結合Cレスにはできる。

入力側のssm2210? ssm2110?等の回路は見かけなくなったが、どうしてだろう。

電気信号の伝達が生じる限り電位差は発生する。 それが測れるかどうかは測定器に依存する。「テスターで測ってゼロ」だから「電位差ゼロ」では幼稚園児と同レベル。

 
 
 
 


 
 終段をパラレルにすると見掛けのCobが和算で増え、基板のCも加味枯れて、ガツンと音質が低下する。 ラジオのAFであれば 3パラ(出力260mW弱)までだろう。 audio としては3パラは音ですぐにバレル。
 
音が良いと評判のトランジスタはCobが小さい。
 
 
コメント(0)