741の等価回路は下図のように公開されている。基本はoutput端子電圧はVccの1/2になる。入力側にdc印加すると output側はそこそこ電圧が変わる。1973年には書物で公開済み。
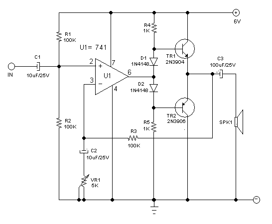
OP AMP 後段にトランジスタを持ってきた。 パワーブスターの学習。岡村先生の1973年執筆本には パワーブースターと公開されれてる。
拾った回路の上段に12AU7がある。
YouTube: op amp 大電流バッファ回路 : 信号増減で電圧が暴れるんですね。
OP AMPの各端子電圧をみた。出口が電源電圧の1/2よりかなり低い。内部で相当な電位勾配が生じているってことだ.
電圧ゲインは実測2倍ほど。 OP AMP端で確認できるvtvm値より パワーブースター出口が10dBほど小さい。
************************************************************
