アンプ動作は、下図が動作説明のすべて。 日本人でこれを使って説明しているオツムはほぼセロ。英語圏発祥の技術なので英語圏(特に欧州)から技術輸入、技術紹介がもたもたしているとガラパゴス化する。 class Bも class ABも one device ではangle 360度伝達はできない。
CLASS_AAってのは「商品売るための造語」。 学会としてはそんな動作はない。
100mW程度の小出力アンプの計測基準(JEITA)は日本では存在しない。歪率を計測するのは「0.5Vrms入力できるアンプ」からになる。「信号源z=1kオーム」は必須。廉価な低周波発振器ではインピーダンス不適合でだめ。
fx-audio等の中間アンプ歪測定方法は日本にない。
***************************************************************
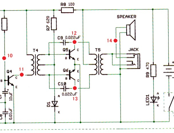
音源と基板があればよく鳴るヘッドフォンアンプを自作した。
コンセプトは
1. 乾電池は単三で2本。 机上計算だと、連続使用で70時間前後になる。毎日2時間聴いて1ケ月ごとに電池交換は必要。
2, ヘッドポンだけでなくスピーカーも鳴らせるくらいの出力 :実測40mWになった。
3,シンプルな回路 (簡単につくれる。1960年の古典回路)。current dumperも往時回路。
4, 片ch3石 トランジスタでつくる。
YouTube: D.I.Y headphone amp.3v. all transistors
音源はVR半分でお願いします。 それより入れると電圧の壁起因で歪みます。
・苦労点は3VでのSEPPなので 片側1.5Vしか使えないこと。
・日本ではヘットフォンのインピーダンスに言及する技術派は少ないが、「高いインピーダンスだと高域の歪は小さい。」と研究されている。音が判るならばZ=128 あるいはz=600が薦めされていた。
基板ナンバーは RK-190.
******************************
通算445作目。
ヘッドフォンアンプでの謎
「オペアンプは入力インピーダンスが高いため、出力インピーダンスの大きな信号源に接続しても、信号に影響を与えることなく微小な信号を増幅することができる素子です」とされているが。
Q: 入力インピーダンスが一桁の時はどうなんですか? 。スマホは内蔵ICの型番からZ=8~16程度が判明しています。
真空管アンプやトランジスタアンプでは ミスマッチと呼ばれますよね。
Q:OP AMPの出力Z=100K と 10Kでは 負荷波形が違うのはどうしてですか?
負荷の高い方が 歪がより小さい挙動が確認できますが、どうしてですか?
たとえば X5 2nd generation - ミドルクラス・ポータブル・ハイレゾプレイヤー
この商品はZ=16~150とされている。
秋月の「NJM4580DD使用ヘッドホンアンプキット」では出口Z=150くらいぽい。入力Z=5Kほどか、、、。
オイラのは、出口Z=50,入力Z=10Kくらいか、、。
*********************************************
**********************************************************
音のよいB級アンプの作例。
生き生きした音で鳴る。 部品数も僅か。
上半分と下半分の繋ぎ具合はOP AMPの応答速度にも依存する。OP AMP を差し替えてよりベターな組み合わせで鳴らすのがポイント。
YouTube: JF1OZL style .Emitter-follower-power-amplifier.
JF1OZL style パワーアンプ で検索
あるいは 「ne5532 オーディオアンプ」で検索。
