LTspice:半導体なしの「LC共振ものでは演算させる度に解が異なる」ソフトであるが、半導体回路で演算させた。
電圧の壁の考えが弱いらしい。 壁でこの半分も出ない。 実写真はのちほど。
「実体にあうようにパラメータを直す」のが基本らしい。 通電後にパラメータ設定であればソフトは不要になるんですけど、、。
**********************************************************
LTspice トランジスタ 2sc1815 と検索したら ご丁寧なsiteがあったので、指示通りにはりつけた。
信じるならば、低周波信号を入れると3Vは出力でるらしい。
**********************************************************
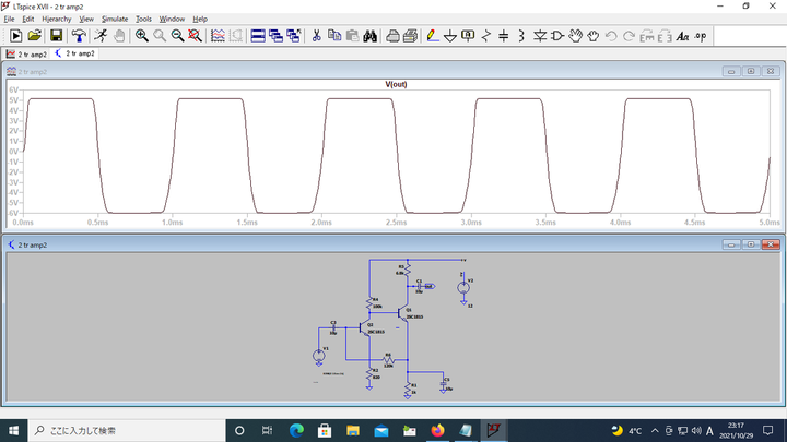
気を良くしてもっと信号を入れてみた。
4.7Vあたりで頭打ちらしい。
実際は下写真のように2Vが精一杯。これ以上は頭打ちになる。終段トランジタは未実装。入力もLTspiceと異なり2倍の12mVは入れた。
公開されてる2SC1815ライブラリのパラメータは現実とは異なりすぎるので 各自訂正ください。 現実の電流増幅度は小さいです。電圧の壁がソフトではズレまくりで目印にもなりません。
電流増幅度を2桁の前半にすると増幅度は現実に近くなった。電圧の壁はずれたままた。
パラメータが直に反映されずにもう1段係数を当てているような感じも受けます。
低周波信号発生器の流通品は600オーム。10Mオームのものがあるかどうかは不明。 信号源との相似具合を波形でみる道具がオシロである。 600オーム信号源を10Mオームオシロで観測するのは お利巧さんではない。「インピーダンス変換器を介在させる」「信号源とおなじ600オームで観測する」のが常人。
別な2sc1815パラメータでは下図になるパラメータも流通してます。このLTspice分野は技術が高いとは云えないですね。
******************************************************
・サイエンス的には地磁気のパラメータとPCB基板の固有振動とQの低下も必要なんですが、、。OSCものでは磁気の影響があるとしか思えない挙動に遭遇します。
