***********************
非AGCモード時に ゲイン過多による帰還発振するTCA440の続です。
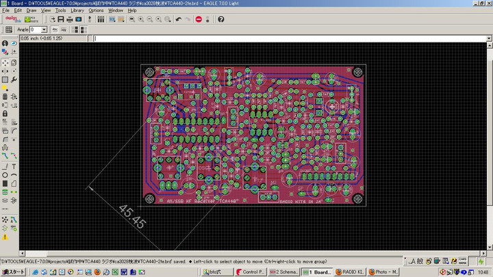
IFT間寸法の8mmストレッチはやや無理だったが5mm延長して45mmほどになった。 初回は25mmだったが、帰還発振しまくりで???だったが、IFT間寸法を増大させるにつれて4段IFの挙動も判ってきた。
・データシート回路では自励OSCしなかったので造り直しが3回。⇒osc回路はオリジナルに為った。
・FETカスケードによるプロダクト検波(455khz)でマイナスゲインになって、回路変更1回。
・非agcモードでの帰還発振対策に2回手配。
◇
このレイアウトにてpcbwayへ手配する。安全を見て欧州のように2nd iftとシリーズに3.3オームを入れてみる。iftのqが多少下がれば助かる。
・無信号時にゲイン過多状態に陥り帰還発振する傾向がラジオICにはある。SANYOのICではLA1600,LA1135,LA1427等はAGCモード突入以前の微弱信号受信時に遠くでビート音が聴こえる。SSGからの信号を止めるとそのビート音も消えるので、微弱信号時の特異な現象のようだ。
・しかし、TDA1072ではそのビート音が聴こえてこない。他のラジオICよりも設計が優れているICだ。ノイズスレスレで信号を聴くことが多い「amature radio」 向けにはtda1072推奨する。
***************************
TCA440でやろうとしていたSSB復調は、TA7613基板(プロダクト検波回路オンボード)で出来てしまった。
基板サイズがかなり違うので、大きい基板のTCA440でSSB復調するメリットはさほど無くなってしまった。「ta7613の方が感度良いし基板は小さい」状態なので、TCA440基板化はお休み中。
おまけに、TCA440とおなじことが出来る国産ICにAN217がある。 ますますTCA440の出番が減る方向です。
