***************
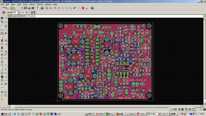
TA7613 type2 のレイアウトを見なおした。
1, 局発が廻りこみ難いようにしたつもり。
2, cold側も少し変えた。
・いわゆるベタアース化しても80mhz近傍から下ではその効果は確認できていない。 真空管ラジオで鳴らせる範囲の周波数帯では効果が見つけられない。
・寧ろ、コールド側の表面積が増加して外来ノイズに弱くなる。ノイズキャッチエリアが増えるだけのことが多いのでベタアース化の際は要注意。
◇◇◇
① 先日の「半導体+1S5ラジオ」はモー値が小さいので12AV6に換えてみた。2dB程度の増幅になる。駆動電圧が低いので入力信号を吸収してしまうような動作になる。
②
中波帯ラジオは A案、B案の2通りにしてみた。
