************************
kuraさんのコイルを載せてみた。
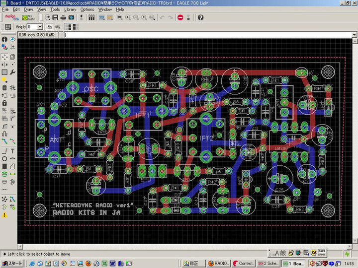
発振してきたが、1次側がパターンとはリバースだ。
今回は、「oscコイルのセンタータップを使って発振させている。」のが今迄の使い方との差異だ。
現状パターンでは、 「サトーさんのosc, kuraさんのosc」ともに符号しないので、 どちらに合わせるか?
oscの発振強度特性では、 サトーosc >> > kura oscコイル。
省電流では サトー osc >>> kura oscコイル。
・まあ「コイルの出来としては、サトー電気さんの販売中コイル」になる。
バーアンテナとの距離によってはIFゲインを下げる必要がある。 、、、と中級向けの予感。
「LA1600 MINIのように 部品を並べて半田つけして終わり」には 為らぬ。
****************
まとめ。
これで進める。
