セラミックレゾネータを使った455kHz電波発信器を基板化して半年が経過した。
2枚/月のペースでニーズがあったので、残1枚になった。 この基板データは祐徳電子に送付済みだが、それっきりだ。
**************************
新テーマで基板化中。
コールド側はほぼ「一筆書き」。 ラジオ基板だと一筆書きはまあ困難だが、本基板はRF部が無いのでなんとかなった。
*******************
セラミックレゾネータを使った455kHz電波発信器を基板化して半年が経過した。
2枚/月のペースでニーズがあったので、残1枚になった。 この基板データは祐徳電子に送付済みだが、それっきりだ。
**************************
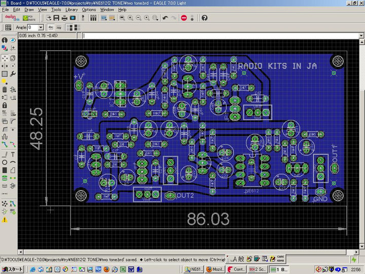
新テーマで基板化中。
コールド側はほぼ「一筆書き」。 ラジオ基板だと一筆書きはまあ困難だが、本基板はRF部が無いのでなんとかなった。
*******************