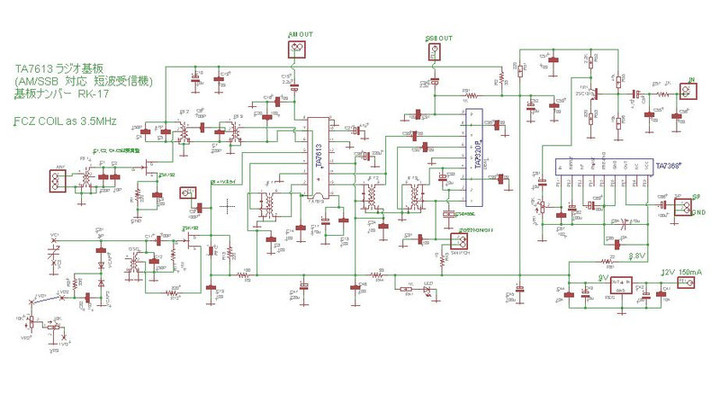
****************************
3.5MMHz帯のAM受信が確認できた「TA7613 基板」は、次にDSBを受信してみる。
◇ DSB発生には、先日から領布開始した「AM エキサイター基板(RK-16)」にて3.757MHz水晶振動子を乗せてみた。
◇プロダクト検波には、TA7320を使った。この辺りは、JA1AYO丹羽OMと同じ回路にしてみた。455kHz発生には貴重なCSB455(村田製)を採用した。
RFアンプはまだ部品をのせていない。
◇左の波形が、プロダクト検波で受信した波形。 右がDSB発振器に入れた信号。
、、、と支障なくDSB受信もできた。
◇◇
RFアンプを実装してまとめてみた。 プロダクト検波時にはTA7320に+Bを供給する。AM OUTとSSB OUTがあるのでSWにて切替てAF部に入れる。
◇感度確認。
そこそこに良い。
◇ 諸確認。
バリコンはAMラジオ用だった。これだとレンジで1MHzほど取れる。(FCZコイル+220PF時)
oscコイルには150pfにして 上側ヘテロダインにした。
*************************
以上のように、 3.5MHz向け ラジオ基板はまとまった。SSBでもAMでもOK. TA7613のIFにやや梃子摺ると想う。
JA1AYO 丹羽OMの記事を参考に基板化した。もちろん丹羽OMにはご承諾いただいてある。丹羽OM殿、感謝候。
通算249作目になる。
TA7320作動時の音量がやや小さくAM時と差があるので、AF初段2SC1815は「SSB時のみ」 あるいは「AM/SSBモードとも」の動作を選択できるように変える。 この内容を受けて6月11日頃から領布したい。
OSCが強いと受信信号とあいまって子波が聴こえる。SGを停止すると静かになるのでそれがわかる。OSC強度は注意。
