*******************************
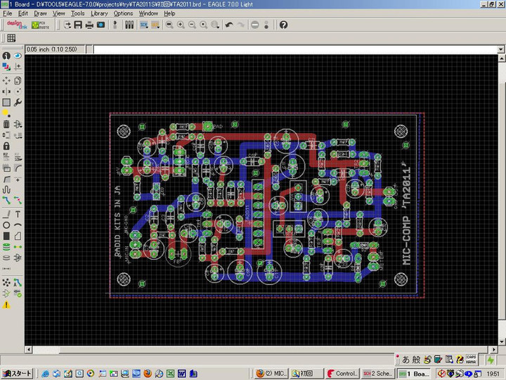
昨日の此れと此処で紹介したように程よい感じでCOMPできたTA2011基板のレイアウト図を上げておく。(メーター回路あり)
RFストッパー⇒TA2011S⇒LPF(3.4KC)⇒OUT
COMPスタート点は、R11の値で変えられる。 これを可変抵抗にすれば使いやすくはなるが、MICからの信号レベルが判っていないと、COMP過多の音になる。 少なくともMICからの信号レベルは実測して、程よくCOMPが掛かる値にしてほしい。(オシロで読むと苦しいので VTVMで確認推奨)
人気あるALC IC のNJM2783の場合、データシートによれば1.5mV近傍からCOMPスタートなので、このTA2011基板R11=3.3KΩだとそれ(NJM2783)に近い動作になる。(無測定器時の目安にはなるだろう)
TA2011は祐徳電子さんで継続販売中。すでに製造終了なので必要な方はお早めに、、、、。
YouTube: MIC-COMP ,useing TA2011s
COMPーMETERの振れ具合
YouTube: COMP-METER,USEING TA2011
LOW NOISEの2SC1815Lはsold outだった。 ローノイズのTRは入荷難しいので次ロットが手に入るかどうかだ、、。
◇NJM2783の動作例もあげておく。 (基板ナンバーRK-14)
YouTube: Useing NJM2783 , mic-comp P.C.B
自作マイクコンプレッサーの第3弾でした。
