**************************
加算回路、乗算回路での変調具合を以前確認していた。その延長線上にある「マーカー基板」
マーカー基板が到着した。 トーン付きだが、既報のように「変調トランスレス変調回路」だ。このネーミングはJH1FCZ氏による。 FCZの寺子屋NO,9とのことだ。
1976年初刊行ゆえに1976年頃か?
1977年には 「寺子屋シリーズNO,9 AM10mW送信機 トランスレス変調」は販売されている。
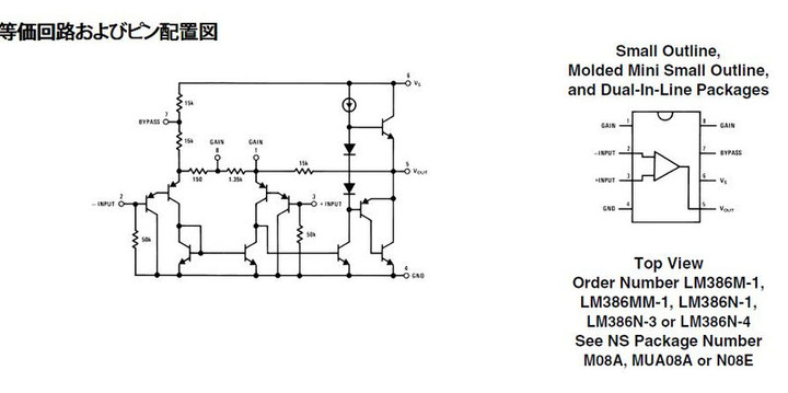
まず、LM386の等価回路。
泉弘志先生が、「月刊初歩のラジオの70年?~72年?」に寄稿し1972年6月30日に出版された雑誌での回路。
変調回路は、これのNPN版にした。 多謝 泉弘志先生。「直結型変調」とでも呼ぼうか?
*****************************
さて、届いた基板。
高周波チョークはOSC部1mH.
変調部負荷は470μHにしてみた。変調トランスもLM386も無い。半導体はトランジスタが4個。
①移相発振回路の動作確認。630Hz近傍で発振している。
②変調後の波形。乗算回路を通過させた波形。
下側がないのはタンク回路がないことに起因する。 どこかの専門誌には載っているはず。
過変調なことも波形から判る。r=270Ω. 「変調トランスレス回路」ではあるがLM386のようなICは使っていない。
片側が見えないと「全搬送波単側波帯」(SSB-WC)になるが、2割程度はオシロで見えるので、SSB-WCには為っていない。
③FREQカウンターで見た。 3倍波形が強いようでそういう数字になる。
314÷3≒105となるが、 100kc水晶が5%も上でoscできるか?
様々な歪みを含めて計測しているので、こんな数字になるようだ。
④ラジオで受信してみた。(過変調を受信)
MWではここが一番強く聴こえた。オシロ波形は半分。上の乗算波形にわりと似ている。
マジックアイが開いてこないね。670Hzの音は低くなく高くなく程よい高さだろうと想う。
⑤過変調はやめて、ほぼ100%と想える変調にした。 r=330Ω。
⑥
此処が強く受信できる。1399≒1400なので14倍高調波のようだ。 オシロ波形も多少綺麗になった。
マジックアイもきた。過変調だと本来の周波数と少々違うところで受信できることもこれで体験できた。
この基板は、実験・学習用にほどよいように想う。JH1FCZ氏の回路のようなLM386は使っていない。
⑦
MW下側では ここで強く受信できた。100KC単位での高調波なので、
557+455≒1000.
多分1000kHzを下側ヘテロダイン受信している。変調トランス方式マーカーだとここまでイメージを受信しなかったように想う。
◇まとめ
実験で遊ぶにはなかなか面白い基板になった。
45年前の回路を使かった。。往時は作動が理解できない中学1年であったが、「初歩のラジオ」の読者水準に少し近づいたと想う。
高調波は、高周波チョークの容量にも依存するので、まだgoodな値を絞り込めてていない。100kcの微調整用に小型セラミックトリマーを載せるようにパターン興したが秋月電子には5pfはなかったので、余白になっている。トリマーが入手できれば100.0kcに合わせられる。
マーカーとしては変調トランス式のほうが実用性がある。高調波でピシピシとあわせられた。
「トランスレスでも変調が出来る」ことを体験する基板として遊んでほしい。過変調であれば、受信音量最大点ではマジックアイが開かない。
SSB-WC(単側波)として技術追及するのも面白いだろう。
「何も考えずに部品を取り付けて終了」を得意にする方向きでは無い。多少は創意工夫が必要になる。
配布は、「基板2枚+回路図+レイアウト図+封筒」で70gになるので、140円切手を貼ったSASEで対応したい(送料のみ負担ください)。数量は有限になるが、6名まで。 MAIL

