******************************
先日、orderしたマーカー基板がshippingになった。この20日頃には到着する。 早ければ16日だろう。
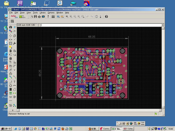
トランジスタ式ワイヤレスマイク typeⅡも今日手配した。
少し広げた。
プリント基板のつくり方は、
1,cadで書く。cad選定は好みも含まれるので、4~5本程 幾つかのsoftを触って決めればよい。機械系cadだと画面に部品点数で3000個程度載らないと仕事に支障があるので、それに合致するcadの選択肢はとても狭い。
趣味で基板作成するのであれば200点も載せれば足りるだろう。よく聞くsoftで支障ない。
2,手配する。
オイラが中学生の頃は、生基板に書き込んでエッチングした。溶け過ぎないように時々、基板の銅面を確認した。
◇パターン化の注意としては、ベタアースにしてよいかどうかをよく考える。ベタアースだとNGなこともある。
AF部だけの基板の場合では、cold側は一筆書きになるようにする。なるべくそうなるように配置していく。それでSNが確保できる。電子の移動を考えつつ基板にする。
真空管のようにヒーター6.3Vを基板で流しつつ、+Bも基板に流す場合には平滑回路の一筆書きは鉄則でしょう。 メーカー製のプリント基板式真空管ラジオでSNが悪いのは、ここに理由がある。松下のラジオはその意味では反面教師になる。
