真空管 1球でスピーカーを鳴らそう作戦です。(6GH8)
現時点で、「6EW6+6EW6」より聞えないので思案中です。
スピーカーは、これが良い感じです。(秋月から調達しました)
音圧もあるし、明瞭度はあがります。(後日、元々のSPに戻しました)
低域をカットしてくれるので、
「トランス負荷による低域持ち上げ」からは、逃げてくれてます。
電源トランスのアンペアがないので、
VRの8部ほどで、音がおかしくなります。
(2011/Nov/19追記
AF信号がループして軽く発振してました。 元々のピンアサインに難がありそうです
「もっと深いバイアスで使え」ってことでしょうか、、、。)
↑最終形になる予定です。
2011/NOV/3 追記↓
2011/Nov/22追記
①のAF回り込みは、
OUTトランスの配線引き回しを変えて、かわしました。
⇒ついでにSPは、キット付属のものにしました。
②AVR回路は、止めました。(配線は残してあります)
貴重な電流がTRに食われて、あまりよい結果がでてません。
③上記②の対応により、幾分耳がよくなりました。
今は、補助アンテナなしでNHK聞えます。
(電源トランスを「6EW6+6EW6」と同じ型式にしたら、もっとよく聞えました。
ほぼ差なしに聞えます)
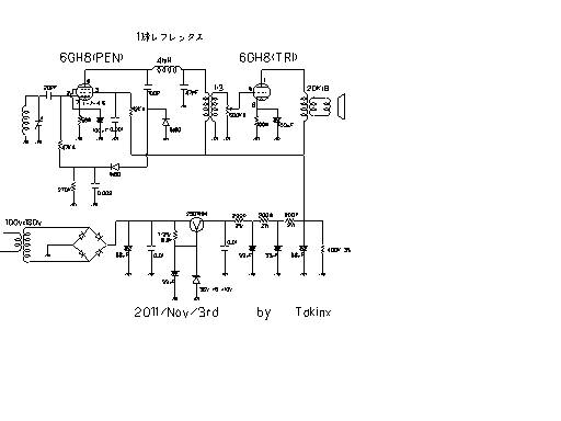
2011/Nov/23追記↓回路図
5極部のg1の抵抗は、電界環境で決めてください。
47k⇒220kΩで、耳が良くなります。(AFのループ発振も発生しやすくなります)
強電界ですと27KΩなど小さい方が、ベターです。
当初、4倍圧検波(いまより耳3db up)も考えてましたが、g1抵抗で対応しました。
*****************************************************
